| 
		
			
			
			
			
		
	 | 
	
		
ТИПОВЫЕ ТЕХНОЛОГИЧЕСКИЕ КАРТЫ  
НА ПРОИЗВОДСТВО ОТДЕЛЬНЫХ ВИДОВ РАБОТ 
РАЗДЕЛ 01 
ТИПОВАЯ ТЕХНОЛОГИЧЕСКАЯ КАРТА  
НА ЗЕМЛЯНЫЕ И БУРОВЗРЫВНЫЕ РАБОТЫ 
1.01.01.70 
КОМПЛЕКСНО-МЕХАНИЗИРОВАННЫЙ ПРОЦЕСС  
ПО ОБРАТНОЙ ЗАСЫПКЕ КОТЛОВАНА  
С ФУНДАМЕНТАМИ ПРОМЫШЛЕННОГО ЦЕХА  
ГРУНТОМ II
ГРУППЫ 
МОСКВА - 1989 
 
  | 
   РАЗРАБОТАНА
   
  ВНИПИИСТРОМСЫРЬЕ  
  Главный
  инженер института      Р.А. Родин  
  Главный
  инженер проекта          В.Н. Бауман  
   | 
  
  
   ОДОБРЕНА 
  Отделом организации и технологии
  строительного производства Госстроя СССР 
  Письмо от 14.09.1988 г. № 23-532 
  Введена
  в действие с 01.01.1989 г. 
   | 
  
  
 
1. ОБЛАСТЬ ПРИМЕНЕНИЯ
1.1. Типовую технологическую карту
рекомендуется использовать при работах по обратной засыпке котлованов глубиной
до 5 м и объемом работ до 50 тыс. м3 в промышленном и гражданском
строительстве. 
1.2. Карта может быть использована для
грунтов I - III групп. 
1.3. В данной технологической карте
приведен пример обратной засыпки котлована с параметрами: 
глубина 5,0 м; ширина 91,5 м; 
длина 84,0 м; заложение откосов 1:0,75. 
Объем обратной засыпки грунта 34220 м3. 
1.4. Обратная засыпка
котлована осуществляется в средней зоне СССР при положительных температурах
воздуха. 
1.5. При привязке технологической карты к
конкретному котловану с фундаментами промышленного цеха необходимо
скорректировать объемы работ, группы грунтов, график производства работ и
калькуляцию затрат труда, средства механизации с учетом наличия парка
землеройных механизмов. 
2.1. Настоящий
комплексно-механизированный технологический процесс состоит из подготовительных
и основных операций. 
2.2. К подготовительным
операциям относятся: 
устройство освещения мест
разработки и укладки грунта; 
устройство временных
землевозных дорог; 
опытное уплотнение грунта. 
2.3. К основным операциям
относятся: 
разработка грунта в
карьере; 
обратная засыпка
котлована. 
2.4. Состав вариантов
комплексов машин, применяемых для выполнения основных процессов 
Таблица 1 
 
  
   | 
    Технологические операции 
    | 
   
   
    Варианты
   комплексов машин 
    | 
   
   
  
   
   | 
    1 
    | 
   
   
    2 
    | 
   
   
    3 (аналог) 
    | 
   
   
 
 
  | 
   Разработка грунта в карьере 
   | 
  
  
   Экскаватор ЭО-4121Б прямая лопата. 
  Автомобиль-самосвал КрАЗ-256Б 
  Автогрейдер ДЗ-31-1 
  Виброкаток ДУ-47Б 
   | 
  
  
   Экскаватор ЭО-5111Е прямая лопата. 
  Автомобиль-самосвал КрАЗ-256Б 
  Автогрейдер ДЗ-31-1 
  Виброкаток ДУ-47Б 
   | 
  
  
   Экскаватор ЭО-5111Б прямая лопата. 
  Автомобиль-самосвал КрАЗ-256Б 
  Автогрейдер ДЗ-31-1 
  Виброкаток ДУ-47Б 
   | 
  
  
 
  | 
   Обратная засыпка котлована 
   | 
  
  
   Экскаватор ЭО-4121Б с грейфером. 
  Экскаватор ЭО-4121Б с гидромолотом СП-62 
  Бульдозер ДЗ-42. 
  Электротрамбовки ИЭ-4504 
   | 
  
  
   Экскаватор ЭО-5111Е с грейфером. 
  Грунтоуплотняющая машина ДУ-12В 
  Бульдозер ДЗ-42. 
  Электротрамбовки 
  ИЭ-4504 
   | 
  
  
   Экскаватор ЭО-5111Б с грейфером. 
  Экскаватор ЭО-5111Б, оснащенный драглайном с
  трамбующей плитой массой 3,5 т 
  Бульдозер ДЗ-42. 
  Электротрамбовки ИЭ-4504 
   | 
  
  
 
 
Ведущими машинами в
комплексе машин являются: 
в
варианте 1 - экскаватор ЭО-4121Б, оборудованный прямой лопатой. Ковш - 0,65 м3; 
в
варианте 2 - экскаватор ЭО-5111Е, оборудованный прямой лопатой. Ковш - 1,0 м3; 
в
варианте 3 - экскаватор ЭО-5111Б, оборудованный прямой лопатой. Ковш - 1,0 м3 
2.5. Технология
производства работ для варианта 1. 
Обратная засыпка котлована производится грунтом II группы, разрабатываемым в карьере
(резерве) экскаватором ЭО-4121Б, оборудованным прямой лопатой. Грунт грузится в
автомобили-самосвалы КрАЗ-256Б, транспортируется к месту укладки и разгружается
на бровке котлована. 
В связи со стесненностью производства работ обратная засыпка
котлована выполняется с разбивкой последнего на четыре зоны. 
В зоне № 1 - грунт подается в котлован бульдозером ДЗ-42 с
разравниванием вручную слоями 0,35 м и уплотнением электротрамбовками ИЭ-4504.
Расстояние между проходами электротрамбовки должно быть не более 0,45 м.
Минимальное расстояние от электротрамбовки до строительных конструкций (обрез
фундамента) составляет 0,2 м, а над фундаментом 0,5 м. 
В зоне № 2 - грунт подается в котлован экскаватором
ЭО-4121Б, оборудованным грейфером, с разравниванием грунта вручную и
уплотнением электротрамбовками ИЭ-4504. 
В зоне № 3 - грунт подается в котлован бульдозером ДЗ-42 с
разравниванием грунта им же слоями 0,7 м и уплотнением гидромолотом
СП-62,навешенным на экскаваторе ЭО-4121Б. 
В зоне № 4 - грунт подается в котлован экскаватором
ЭО-4121Б, оборудованным грейфером. Разравнивание грунта вручную с уплотнением
гидромолотом СП-62. Минимальное расстояние от трамбовки гидромолота СП-62 до
строительных конструкций (обреза фундамента) составляет 0,6 м, а над
фундаментом 0,9 м. 
Количество проходов электротрамбовки ИЭ-4504 и количество
ударов гидромолота СП-62 для достижения проектной плотности грунта должно
устанавливаться опытным путем при оптимальной влажности грунта. При
недостаточной влажности грунта его необходимо увлажнять в местах разработки. 
2.6. Обратная засыпка
котлована выполняется (при работе в одну смену) для варианта 1 следующим
составом: 
а) При разработке грунта в карьере: 
машинист экскаватора 6 разряда                                        - 1; 
машинист автогрейдера 6 разряда                                      - 1; 
водители автомобилей-самосвалов III класса                   -
3; 
водитель поливочной машины III класса                          -
1; 
машинист виброкатка 5 разряда                                         - 1. 
б) При обратной засыпке котлована: 
машинисты экскаватора 6 разряда                                      - 3; 
машинист бульдозера 6 разряда                                          - 1; 
землекопы I разряда                                                             -
2; 
землекопы III разряда                                                           -
4. 
2.7. Контроль качества
выполняемых работ 
Таблица 2 
 
  
   | 
    Наименование
   операций, подлежащих контролю 
    | 
   
    Контроль
   качества выполнения операций 
    | 
   
  
   | 
    производителем
   работ 
    | 
   
    мастером 
    | 
   
    Состав 
    | 
   
    Инструмент 
    | 
   
    Время 
    | 
   
    Привлекаемые
   службы 
    | 
   
 
 
  | 
   Разбивка зон обратной засыпки котлована 
   | 
  
   - 
   | 
  
   Точность выноса 
   | 
  
   Теодолит, стальная рулетка 
   | 
  
   До начала обратной засыпки 
   | 
  
   Геодезическая 
   | 
  
 
  | 
     
   | 
  
   Обратная засыпка котлована 
   | 
  
   Качество грунта и его влажность, толщина
  отсыпаемых слоев грунта, плотность скелета грунта в соответствии с проектом 
   | 
  
   Плотномер, металлический щуп 
   | 
  
   В процессе обратной засыпки 
   | 
  
   Грунтовая лаборатория 
   | 
  
 
 
3.1. В соответствии с принятыми вариантами
комплексов машин (табл. 1) и на основании калькуляций затрат труда в табл.
3
приведены сравнительные технико-экономические показатели эффективности
вариантов. 
Таблица 3 
 
  
   | 
    Наименование работ 
    | 
   
   
    Варианты
   комплексов механизации работ 
    | 
   
   
  
   
   | 
    1 
    | 
   
   
    2 
    | 
   
   
    3 
    | 
   
   
 
 
  | 
   Объем работ, м3 
   | 
  
  
   34220 
   | 
  
  
   34220 
   | 
  
  
   34220 
   | 
  
  
 
  | 
   Общая трудоемкость, чел.-дн. 
   | 
  
  
   933,86 
   | 
  
  
   1019,56 
   | 
  
  
   1082,96 
   | 
  
  
 
  | 
   То же, на 1000 м3, чел.-ч 
   | 
  
  
   223,77 
   | 
  
  
   244,31 
   | 
  
  
   259,50 
   | 
  
  
 
  | 
   Затраты машинного времени на весь объем работ,
  маш.-смен. 
   | 
  
  
   883,7 
   | 
  
  
   888,3 
   | 
  
  
   885,0 
   | 
  
  
 
  | 
   Продолжительность процесса при двухсменной
  работе, день 
   | 
  
  
   36 
   | 
  
  
   42 
   | 
  
  
   42 
   | 
  
  
 
  | 
   Выработка на 1 маш.-ч, м3 
   | 
  
  
   4,72 
   | 
  
  
   4,69 
   | 
  
  
   4,71 
   | 
  
  
 
  | 
   Стоимость затрат труда на весь объем работ,
  руб. 
   | 
  
  
   7358,30 
   | 
  
  
   8203,06 
   | 
  
  
   8758,38 
   | 
  
  
 
  | 
   То же, на 1000 м3, руб. 
   | 
  
  
   215,02 
   | 
  
  
   239,71 
   | 
  
  
   255,94 
   | 
  
  
 
  | 
   Приведенные затраты на весь объем работ, руб. 
   | 
  
  
   46607,64 
   | 
  
  
   36649,62 
   | 
  
  
   39113,46 
   | 
  
  
 
  | 
   То же, на 1000 м3, руб. 
   | 
  
  
   1362,00 
   | 
  
  
   1071,00 
   | 
  
  
   1143,00 
   | 
  
  
 
  | 
   Эффективность в сравнении с аналогом на 1000 м3
  грунта, руб. 
   | 
  
  
   -219 
   | 
  
  
   +72 
   | 
  
  
     
   | 
  
  
 
  | 
   Прямые затраты на 1000 м3 грунта,
  руб. 
   | 
  
  
   1238,00 
   | 
  
  
   951,00 
   | 
  
  
   1014,00 
   | 
  
  
 
 
4.1. Потребность в
машинах, оборудовании, инструментах и приспособлениях 
Таблица 4 
 
  
   | 
    Наименование машин, оборудования,
   инструментов и приспособлений 
    | 
   
    Тип 
    | 
   
    Марка 
   ГОСТ 
    | 
   
    Количество машин для вариантов механизации,
   шт. 
    | 
   
    Техническая характеристика 
    | 
   
  
   | 
    1 
    | 
   
    2 
    | 
   
    3 
    | 
   
 
 
  | 
   Экскаватор
  универсальный 
   | 
  
   Одноковшовый
  гидравлический на гусеничном ходу 
   | 
  
   ЭО-4121Б 
  22894-77 
   | 
  
   1 
   | 
  
   - 
   | 
  
   - 
   | 
  
   Оборудован
  прямой лопатой. Ковш - 1 м3 
   | 
  
 
  | 
   Экскаватор
  универсальный 
   | 
  
   Одноковшовый
  канатный на гусеничном ходу 
   | 
  
   ЭО-5111Е 
  17343-83 
   | 
  
   - 
   | 
  
   1 
   | 
  
   - 
   | 
  
   Оборудован
  прямой лопатой. Ковш - 1 м3 
   | 
  
 
  | 
   Экскаватор
  универсальный 
   | 
  
   Одноковшовый
  канатный на гусеничном ходу 
   | 
  
   ЭО-5111Б 
  17343-83 
   | 
  
   - 
   | 
  
   - 
   | 
  
   1 
   | 
  
   Оборудован
  прямой лопатой. Ковш - 1 м3 
   | 
  
 
  | 
   Экскаватор
  универсальный 
   | 
  
   Одноковшовый
  гидравлический на гусеничном ходу 
   | 
  
   ЭО-4121Б 
  22894-77 
   | 
  
   1 
   | 
  
   - 
   | 
  
   - 
   | 
  
   Оборудован
  грейфером. Ковш - 0,65 м3 
   | 
  
 
  | 
   Экскаватор
  универсальный 
   | 
  
   Одноковшовый
  канатный на гусеничном ходу 
   | 
  
   ЭО-5111Е 
  17343-83 
   | 
  
   - 
   | 
  
   1 
   | 
  
   - 
   | 
  
   Оборудован
  грейфером. Ковш - 1 м3 
   | 
  
 
  | 
   Экскаватор
  универсальный 
   | 
  
   Одноковшовый канатный
  на гусеничном ходу 
   | 
  
   ЭО-5111Е 
  17343-83 
   | 
  
   - 
   | 
  
   - 
   | 
  
   1 
   | 
  
   Оборудован
  грейфером. Ковш - 1 м3 
   | 
  
 
  | 
   Экскаватор универсальный 
   | 
  
   Одноковшовый гидравлический на
  гусеничном ходу 
   | 
  
   ЭО-4121Б 
  22894-77 
   | 
  
   2 
   | 
  
   - 
   | 
  
   - 
   | 
  
   Оборудован гидромолотом СП-62 
   | 
  
 
  | 
   Экскаватор универсальный 
   | 
  
   Одноковшовый канатный на гусеничном
  ходу 
   | 
  
   ЭО-5111Б 
  17343-83 
   | 
  
   - 
   | 
  
   - 
   | 
  
   1 
   | 
  
   Оборудован трамбовочной плитой массой
  3,5 т 
   | 
  
 
  | 
   Трамбовочная машина 
   | 
  
   На тракторе класса 10 т 
   | 
  
   ДУ-12В 
   | 
  
   - 
   | 
  
   1 
   | 
  
   - 
   | 
  
   Трактор Т-130. Масса плит 6,3 т 
   | 
  
 
  | 
   Электротрамбовка 
   | 
  
     
   | 
  
   ЭИ-4504 
  20773-75 
   | 
  
     
   | 
  
     
   | 
  
     
   | 
  
     
   | 
  
 
  | 
   Поливочная машина на шасси ЗИЛ-130 
   | 
  
     
   | 
  
   ПМ-130Б 
   | 
  
   1 
   | 
  
   1 
   | 
  
   1 
   | 
  
   Вместимость цистерны 6000 л 
   | 
  
 
  | 
   Автогрейдер среднего типа 
   | 
  
   Самоходный 
   | 
  
   ДЗ-31-1 
  9420-79 
   | 
  
   1 
   | 
  
   1 
   | 
  
   1 
   | 
  
   Мощность двигателя 96 кВт, длина отвала
  3700 мм 
   | 
  
 
  | 
   Бульдозер с неповоротным отвалом,
  управление гидравлическое 
   | 
  
   На тракторе класса 10 т 
   | 
  
   ДЗ-42 
   | 
  
   1 
   | 
  
   1 
   | 
  
   1 
   | 
  
   Трактор ДТ-75 ВР-С2 
   | 
  
 
  | 
   Каток 
   | 
  
   Вибрационный самоходный двухвальцовый с
  гладкими вальцами 
   | 
  
   ДУ-47Б 
   | 
  
   1 
   | 
  
   1 
   | 
  
   1 
   | 
  
   Мощность двигателя 37 кВт, масса 6 - 8
  т 
   | 
  
 
  | 
   Автомобиль-самосвал 
   | 
  
   Трехосный 
   | 
  
   КрАЗ-256Б 
   | 
  
   3 
   | 
  
   2 
   | 
  
   2 
   | 
  
   Грузоподъемность 12 т 
   | 
  
 
  | 
   Теодолит 
   | 
  
     
   | 
  
   Т-15 
  10529-86 
   | 
  
   1 
   | 
  
   1 
   | 
  
   1 
   | 
  
     
   | 
  
 
  | 
   Нивелир 
   | 
  
     
   | 
  
   Н-10 
  10528-76 
   | 
  
   1 
   | 
  
   1 
   | 
  
   1 
   | 
  
     
   | 
  
 
  | 
   Рейка нивелирная 
   | 
  
     
   | 
  
   РН-10 
  11158-83 
   | 
  
   2 
   | 
  
   2 
   | 
  
   2 
   | 
  
     
   | 
  
 
  | 
   Вешка геодезическая 
   | 
  
   Стандартная 
   | 
  
     
   | 
  
   3 
   | 
  
   3 
   | 
  
   3 
   | 
  
     
   | 
  
 
  | 
   Рулетка измерительная металлическая 
   | 
  
   Стандартная 
   | 
  
   РС-20 
  7502-80 
   | 
  
   1 
   | 
  
   1 
   | 
  
   1 
   | 
  
     
   | 
  
 
  | 
   Плотномер 
   | 
  
     
   | 
  
   ПГМ-1 
   | 
  
   1 
   | 
  
   1 
   | 
  
   1 
   | 
  
     
   | 
  
 
  | 
   Влагомер 
   | 
  
     
   | 
  
   НВУ-1 
  26375-84 
   | 
  
   1 
   | 
  
   1 
   | 
  
   1 
   | 
  
     
   | 
  
 
 
4.2. Потребность в эксплуатационных материалах приведена в табл.
5. 
Таблица 5 
 
  
   | 
    Наименование механизмов и эксплуатационных материалов 
    | 
   
   
    Нормы на час работы машины, кг 
    | 
   
   
    Количество на принятый объем работ по
   вариантам, кг 
    | 
   
   
  
   
   | 
    1 
    | 
   
   
    2 
    | 
   
   
    3 
    | 
   
   
 
 
  | 
   Экскаватор ЭО-4121Б 
   | 
  
  
     
   | 
  
  
     
   | 
  
  
     
   | 
  
  
     
   | 
  
  
 
  | 
   Дизельное
  топливо 
   | 
  
  
   5,50 
   | 
  
  
   10681 
   | 
  
  
   - 
   | 
  
  
   - 
   | 
  
  
 
  | 
   Бензин 
   | 
  
  
   0,16 
   | 
  
  
   311 
   | 
  
  
   - 
   | 
  
  
   - 
   | 
  
  
 
  | 
   Моторное
  масло 
   | 
  
  
   0,27 
   | 
  
  
   524 
   | 
  
  
   - 
   | 
  
  
   - 
   | 
  
  
 
  | 
   Трансмиссионное
  масло 
   | 
  
  
   0,03 
   | 
  
  
   58 
   | 
  
  
   - 
   | 
  
  
   - 
   | 
  
  
 
  | 
   Консистентная
  смазка 
   | 
  
  
   0,16 
   | 
  
  
   311 
   | 
  
  
   - 
   | 
  
  
   - 
   | 
  
  
 
  | 
   Экскаватор ЭО-5111Е 
   | 
  
  
     
   | 
  
  
     
   | 
  
  
     
   | 
  
  
     
   | 
  
  
 
  | 
   Дизельное топливо 
   | 
  
  
   6,2 
   | 
  
  
   - 
   | 
  
  
   4439 
   | 
  
  
   - 
   | 
  
  
 
  | 
   Бензин 
   | 
  
  
   0,18 
   | 
  
  
   - 
   | 
  
  
   128 
   | 
  
  
   - 
   | 
  
  
 
  | 
   Моторное
  масло 
   | 
  
  
   0,30 
   | 
  
  
   - 
   | 
  
  
   215 
   | 
  
  
   - 
   | 
  
  
 
  | 
   Трансмиссионное масло 
   | 
  
  
   0,04 
   | 
  
  
   - 
   | 
  
  
   29 
   | 
  
  
   - 
   | 
  
  
 
  | 
   Консистентная
  смазка 
   | 
  
  
   0,18 
   | 
  
  
   - 
   | 
  
  
   128 
   | 
  
  
   - 
   | 
  
  
 
  | 
   Экскаватор
  ЭО-5111Б 
   | 
  
  
     
   | 
  
  
     
   | 
  
  
     
   | 
  
  
     
   | 
  
  
 
  | 
   Дизельное
  топливо 
   | 
  
  
   6,3 
   | 
  
  
   - 
   | 
  
  
   - 
   | 
  
  
   7957 
   | 
  
  
 
  | 
   Бензин 
   | 
  
  
   0,19 
   | 
  
  
   - 
   | 
  
  
   - 
   | 
  
  
   240 
   | 
  
  
 
  | 
   Моторное
  масло 
   | 
  
  
   0,30 
   | 
  
  
   - 
   | 
  
  
   - 
   | 
  
  
   379 
   | 
  
  
 
  | 
   Трансмиссионное
  масло 
   | 
  
  
   0,03 
   | 
  
  
   - 
   | 
  
  
   - 
   | 
  
  
   38 
   | 
  
  
 
  | 
   Консистентная
  смазка 
   | 
  
  
   0,18 
   | 
  
  
   - 
   | 
  
  
   - 
   | 
  
  
   227 
   | 
  
  
 
  | 
   Трамбовочная
  машина ДУ-12В 
   | 
  
  
     
   | 
  
  
     
   | 
  
  
     
   | 
  
  
     
   | 
  
  
 
  | 
   Дизельное
  топливо 
   | 
  
  
   7,1 
   | 
  
  
   - 
   | 
  
  
   4075 
   | 
  
  
   - 
   | 
  
  
 
  | 
   Бензин 
   | 
  
  
   0,2 
   | 
  
  
   - 
   | 
  
  
   115 
   | 
  
  
   - 
   | 
  
  
 
  | 
   Моторное масло 
   | 
  
  
   0,29 
   | 
  
  
   - 
   | 
  
  
   166 
   | 
  
  
   - 
   | 
  
  
 
  | 
   Трансмиссионное масло 
   | 
  
  
   0,09 
   | 
  
  
   - 
   | 
  
  
   52 
   | 
  
  
   - 
   | 
  
  
 
  | 
   Консистентная смазка 
   | 
  
  
   0,07 
   | 
  
  
   - 
   | 
  
  
   40 
   | 
  
  
   - 
   | 
  
  
 
  | 
   Бульдозер
  ДЗ-42 
   | 
  
  
     
   | 
  
  
     
   | 
  
  
     
   | 
  
  
     
   | 
  
  
 
  | 
   Дизельное топливо 
   | 
  
  
   3,30 
   | 
  
  
   1782 
   | 
  
  
   1782 
   | 
  
  
   1782 
   | 
  
  
 
  | 
   Бензин 
   | 
  
  
   0,10 
   | 
  
  
   54 
   | 
  
  
   54 
   | 
  
  
   54 
   | 
  
  
 
  | 
   Моторное масло 
   | 
  
  
   0,16 
   | 
  
  
   86 
   | 
  
  
   86 
   | 
  
  
   86 
   | 
  
  
 
  | 
   Трансмиссионное масло 
   | 
  
  
   0,04 
   | 
  
  
   22 
   | 
  
  
   22 
   | 
  
  
   22 
   | 
  
  
 
  | 
   Консистентная смазка 
   | 
  
  
   0,03 
   | 
  
  
   16 
   | 
  
  
   16 
   | 
  
  
   16 
   | 
  
  
 
  | 
   Автогрейдер ДЗ-31-1 
   | 
  
  
     
   | 
  
  
     
   | 
  
  
     
   | 
  
  
     
   | 
  
  
 
  | 
   Дизельное топливо 
   | 
  
  
   5,20 
   | 
  
  
   2668 
   | 
  
  
   2850 
   | 
  
  
   2850 
   | 
  
  
 
  | 
   Бензин 
   | 
  
  
   0,16 
   | 
  
  
   82 
   | 
  
  
   88 
   | 
  
  
   88 
   | 
  
  
 
  | 
   Моторное
  масло 
   | 
  
  
   0,25 
   | 
  
  
   128 
   | 
  
  
   137 
   | 
  
  
   137 
   | 
  
  
 
  | 
   Трансмиссионное
  масло 
   | 
  
  
   0,07 
   | 
  
  
   36 
   | 
  
  
   38 
   | 
  
  
   38 
   | 
  
  
 
  | 
   Консистентная
  смазка 
   | 
  
  
   0,06 
   | 
  
  
   31 
   | 
  
  
   33 
   | 
  
  
   33 
   | 
  
  
 
  | 
   Поливочная
  машина ПМ-130Б 
   | 
  
  
     
   | 
  
  
     
   | 
  
  
     
   | 
  
  
     
   | 
  
  
 
  | 
   Бензин 
   | 
  
  
   4,90 
   | 
  
  
   367 
   | 
  
  
   367 
   | 
  
  
   367 
   | 
  
  
 
  | 
   Автомобильное
  масло 
   | 
  
  
   0,11 
   | 
  
  
   8 
   | 
  
  
   8 
   | 
  
  
   8 
   | 
  
  
 
  | 
   Автомобиль-самосвал
  КрАЗ-256Б 
   | 
  
  
     
   | 
  
  
     
   | 
  
  
     
   | 
  
  
     
   | 
  
  
 
  | 
   Дизельное
  топливо 
   | 
  
  
   6,06 
   | 
  
  
   6872 
   | 
  
  
   6872 
   | 
  
  
   6872 
   | 
  
  
 
  | 
   Дизельное
  масло 
   | 
  
  
   0,34 
   | 
  
  
   385 
   | 
  
  
   385 
   | 
  
  
   385 
   | 
  
  
 
  | 
   Трансмиссионное
  масло 
   | 
  
  
   0,05 
   | 
  
  
   57 
   | 
  
  
   57 
   | 
  
  
   57 
   | 
  
  
 
  | 
   Консистентная
  смазка 
   | 
  
  
   0,04 
   | 
  
  
   45 
   | 
  
  
   45 
   | 
  
  
   45 
   | 
  
  
 
 
При выполнении работ по обратной засыпке необходимо
руководствоваться требованиями СНиП-III-4-80 «Техника
безопасности в строительстве». 
  
ОБЪЕМЫ РАБОТ 
 
  
   | 
    №
   зоны 
    | 
   
    Наименование работ 
    | 
   
    Количество 
    | 
   
 
 
  | 
   1 
   | 
  
   Обратная засыпка
  котлована суглинком с подачей грунта бульдозером, разравниванием вручную и
  уплотнением электротрамбовками ИЭ-4504 
   | 
  
   1940
  м3 
   | 
  
 
  | 
   2 
   | 
  
   Обратная
  засыпка котлована суглинком с подачей грунта экскаватором, оборудованным
  грейфером, разравниванием вручную и уплотнением электротрамбовками ИЭ-4504 
   | 
  
   9000
  м3 
   | 
  
 
  | 
   3 
   | 
  
   Обратная
  засыпка котлована суглинком с подачей грунта бульдозером, разравниванием
  бульдозером и уплотнением гидромолотом СП-62 (навесным на экскаваторе) 
   | 
  
   20260
  м3 
   | 
  
 
  | 
   4 
   | 
  
   Обратная засыпка
  котлована суглинком с подачей грунта экскаватором, разравниванием вручную и
  уплотнением гидромолотом СП-62 (навесным на экскаваторе) 
   | 
  
   3020
  м3 
   | 
  
 
 
Примечание.
Условные обозначения и схему засыпки котлована см. на листе 7. 
  
1 - экскаватор ЭО-4121А, оборудованный грейфером; 
2 -
экскаватор ЭО-4121А с навесным гидромолотом
СП-62; 
3 - полосы уплотнения грунта гидромолотом
СП-62; 
4 - временный отвал грунта (суглинок); 
5 - существующие фундаменты; 
6 - места подачи
грунта в котлован бульдозером; 
7 - съезд в
котлован; 
8 - граница
отсыпок грунта в котлован бульдозером и грейфером; 
9 - минимальное расстояние гидромолота
СП-62 от обреза фундамента; 
10 - электротрамбовка ИЭ-4504; 
11 - участок подачи
грунта в котлован бульдозером ДЗ-42; 
12 -
участок подачи грунта в котлован экскаватором,
оборудованным грейфером 
 
 
  
  
Примечание.
Здесь и далее пунктирная линия указывает на неполное использование механизмов в
течение смены. 
ГРАФИК ПРОИЗВОДСТВА РАБОТ. ВАРИАНТ 1
(продолжение) 
  
 
  
   | 
    Наименование работ 
    | 
   
    Обоснование (ЕНиР и др.) 
    | 
   
    Единица измерения 
    | 
   
    Объем работ 
    | 
   
    Норма времени на единицу измерения, 
   чел.-ч 
   маш.-ч 
    | 
   
    Затраты труда на весь объем работ, 
   чел.-день 
   маш.-смена 
    | 
   
    Время пребывания машины на объекте,
   маш.-смена 
    | 
   
    Расценка на единицу измерения, руб.-коп. 
    | 
   
    Стоимость затрат на весь объем работ,
   руб.-коп. 
    | 
   
    Стоимость затрат с учетом пребывания машины на
   объекте, руб.-коп. 
    | 
   
 
 
  | 
   Разработка в
  карьере грунта III группы
  экскаватором ЭО-4121Б, оборудованным прямой лопатой, с погрузкой на
  автомобили-самосвалы 
   | 
  
   Т. 79** вып.
  10 
   | 
  
   100 м3 
   | 
  
   342,2 
   | 
  
   1,5 
  1,5 
   | 
  
   62,6 
  62,6 
   | 
  
   62,6 
   | 
  
   1-59 
   | 
  
   544-10 
   | 
  
   544-10 
   | 
  
 
  | 
   Транспортирование
  грунта автомобилями-самосвалами КрАЗ-256Б на расстояние 1 км 
   | 
  
   ЕНВ* 
   | 
  
   100 т 
   | 
  
   667,3 
   | 
  
   1,70 
  1,70 
   | 
  
   138,3 
  138,3 
   | 
  
   187,8 
   | 
  
   1-44 
   | 
  
   960-91 
   | 
  
   1305-93 
   | 
  
 
  | 
   Засыпка
  котлована грунтом II группы
  бульдозером с перемещением грунта на расстояние 20 м 
   | 
  
   ЕНиР
  §Е2-1-34, п.
  1б, д 
   | 
  
   100 м3 
   | 
  
   222 
   | 
  
   1,91 
  1,91 
   | 
  
   51,7 
  51,7 
   | 
  
   51,7 
   | 
  
   1-73,9 
   | 
  
   386-06 
   | 
  
   386-06 
   | 
  
 
  | 
   Разработка
  грунта II группы экскаватором ЭО-4121Б,
  оборудованным грейфером, с подачей в котлован 
   | 
  
   Данные
  ЦНИИОМТП 
   | 
  
   100 м3 
   | 
  
   120,2 
   | 
  
   1,95 
  1,95 
   | 
  
   28,6 
  28,6 
   | 
  
   28,6 
   | 
  
   2-06,7 
   | 
  
   248-45 
   | 
  
   248-45 
   | 
  
 
  | 
   Разравнивание
  грунта II группы вручную 
   | 
  
   ЕНиР
  §Е2-1-57, Т-1, п. 1б 
   | 
  
   1 м3 
   | 
  
   13960 
   | 
  
   0,09 
   | 
  
   153,2 
   | 
  
   - 
   | 
  
   0-05,3 
   | 
  
   739-88 
   | 
  
   739-88 
   | 
  
 
  | 
   Разравнивание
  грунта II группы
  бульдозером слоем 0,6 м 
   | 
  
   Данные
  ЦНИИОМТП 
   | 
  
   100 м3 
   | 
  
   202,6 
   | 
  
   0,50 
  0,50 
   | 
  
   12,4 
  12,4 
   | 
  
   51,7 
   | 
  
   0-45,5 
   | 
  
   92-18 
   | 
  
   385-43 
   | 
  
 
  | 
   Уплотнение
  грунта II группы вручную с применением
  электротрамбовок ИЭ-4504 
   | 
  
   Данные
  ЦНИИОМТП 
   | 
  
   1 м3 
   | 
  
   10940 
   | 
  
   0,2 
  0,2 
   | 
  
   266,8 
  266,8 
   | 
  
   266,8 
   | 
  
   0-14 
   | 
  
   1531-60 
   | 
  
   1531-60 
   | 
  
 
  | 
   Уплотнение
  грунта II группы гидромолотом СП-62, навешенным
  на экскаваторе ЭО-4121Б 
   | 
  
   Данные
  ЦНИИОМТП 
   | 
  
   100 м3 
   | 
  
   232,8 
   | 
  
   5,13 
  5,13 
   | 
  
   145,6 
  145,6 
   | 
  
   145,6 
   | 
  
   5-43,8 
   | 
  
   1265-97 
   | 
  
   1265-97 
   | 
  
 
  | 
   Увлажнение
  грунта поливочной машиной ПМ-130Б при уплотнении грунта 
   | 
  
   ЕНиР §Е17-2 
   | 
  
   100 м3 
   | 
  
   34,22 
   | 
  
   2,17 
  2,17 
   | 
  
   9,06 
  9,06 
   | 
  
   62,6 
   | 
  
   1-64 
   | 
  
   56-12 
   | 
  
   385-39 
   | 
  
 
  | 
   Разравнивание
  бульдозером шлака II группы слоем
  0,3 м при устройстве покрытия землевозных дорог 
   | 
  
   Данные 
  ЦНИИОМТП 
   | 
  
   100 м3 
   | 
  
   10,1 
   | 
  
   1,35 
  1,35 
   | 
  
   1,7 
  1,7 
   | 
  
   1,7 
   | 
  
   1-22,9 
   | 
  
   12-41 
   | 
  
   12-41 
   | 
  
 
  | 
   Уплотнение
  шлака III группы слоем 0,3 м вибрационным катком
  ДУ-47Б при 5-и проходах по одному следу 
   | 
  
   ЕНиР
  §Е17-7-27 
   | 
  
   100 м2 
   | 
  
   33,6 
   | 
  
   0,31 
  0,31 
   | 
  
   1,3 
  1,3 
   | 
  
   1,3 
   | 
  
   0-28,2 
   | 
  
   9-48 
   | 
  
   9-48 
   | 
  
 
  | 
   Ремонт и содержание
  дорог автогрейдером ДЗ-31-1 при транспортировании грунта 
   | 
  
   ЕНиР
  §Е17-20-15 
   | 
  
   1 км 
   | 
  
   302,0 
   | 
  
   1,70 
  1,70 
   | 
  
   62,6 
  62,6 
   | 
  
   62,6 
   | 
  
   1-80 
   | 
  
   543-60 
   | 
  
   543-60 
   | 
  
 
  | 
   ИТОГО: 
   | 
  
     
   | 
  
     
   | 
  
     
   | 
  
     
   | 
  
   933,86 
  780,66 
   | 
  
   923,0 
   | 
  
     
   | 
  
   6390-76 
   | 
  
   7358-30 
   | 
  
 
 
ЕНВ* - здесь и далее «Единые нормы
времени на перевозку грузов автомобильным транспортом и сдельные расценки
для оплаты труда водителей» 
Т. 79** - здесь и далее сборник «Типовые нормы и
расценки...» Минтрансстроя СССР, раздел «Земляные работы» 
  
ГРАФИК ПРОИЗВОДСТВА РАБОТ ВАРИАНТ 2
(продолжение) 
  
 
  
   | 
    Наименование работ 
    | 
   
    Обоснование (ЕНиР и др.) 
    | 
   
    Единица измерения 
    | 
   
    Объем работ 
    | 
   
    Норма времени на единицу измерения, 
   чел.-ч 
   маш.-ч 
    | 
   
    Затраты труда на весь объем работ, 
   чел.-день 
   маш.-смена 
    | 
   
    Время пребывания машины на объекте,
   маш.-смена 
    | 
   
    Расценка на единицу измерения, руб.-коп. 
    | 
   
    Стоимость затрат на весь объем работ,
   руб.-коп. 
    | 
   
    Стоимость затрат с учетом пребывания машины
   на объекте, руб.-коп. 
    | 
   
 
 
  | 
   Разработка в
  карьере грунта III группы
  экскаватором ЭО-5111Е, оборудованным прямой лопатой, с погрузкой на
  автомобили-самосвалы 
   | 
  
   ЕНиР §Е2-1-8,
  т. 3. п. 6в 
   | 
  
   100 м3 
   | 
  
   342,2 
   | 
  
   3,2 
  1,6 
   | 
  
   133,6 
  66,8 
   | 
  
   66,8 
   | 
  
   3-15 
   | 
  
   1077-93 
   | 
  
   1077-93 
   | 
  
 
  | 
   Транспортирование
  грунта автомобилями-самосвалами КрАЗ-256Б на расстояние 1 км 
   | 
  
   ЕНВ* 
   | 
  
   100 т 
   | 
  
   667,3 
   | 
  
   1,70 
  1,70 
   | 
  
   138,3 
  138,3 
   | 
  
   138,3 
   | 
  
   1-44 
   | 
  
   960-91 
   | 
  
   960-91 
   | 
  
 
  | 
   Засыпка
  котлована грунтом II группы
  бульдозером с перемещением грунта на расстояние 20 м 
   | 
  
   ЕНиР §Е2-1-34, п.
  1б, д 
   | 
  
   100 м3 
   | 
  
   222 
   | 
  
   1,91 
  1,91 
   | 
  
   51,7 
  51,7 
   | 
  
   51,7 
   | 
  
   1-73,9 
   | 
  
   386-06 
   | 
  
   386-06 
   | 
  
 
  | 
   Разработка
  грунта II группы
  экскаватором ЭО-5111Е, оборудованным грейфером, с погрузкой в котлован 
   | 
  
   ЕНиР §Е2-1-15, т. 3,
  п. 4а 
   | 
  
   100 м3 
   | 
  
   120,2 
   | 
  
   2,8 
  1,4 
   | 
  
   41,0 
  20,5 
   | 
  
   72,0 
   | 
  
   2-76 
   | 
  
   331-75 
   | 
  
   1163-68 
   | 
  
 
  | 
   Разравнивание
  грунта II группы вручную 
   | 
  
   ЕНиР §Е2-1-57 
   | 
  
   1 м3 
   | 
  
   13960 
   | 
  
   0,09 
   | 
  
   153,2 
   | 
  
   - 
   | 
  
   0-05,3 
   | 
  
   739-88 
   | 
  
   739-88 
   | 
  
 
  | 
   Разравнивание
  грунта II группы бульдозером 
   | 
  
   Данные
  ЦНИИОМТП 
   | 
  
   100 м3 
   | 
  
   202,6 
   | 
  
   0,50 
  0,50 
   | 
  
   12,4 
  12,4 
   | 
  
   51,7 
   | 
  
   0-45,5 
   | 
  
   92-18 
   | 
  
   385-43 
   | 
  
 
  | 
   Уплотнение
  грунта II группы вручную с применением электротрамбовок
  ИЭ-4504 
   | 
  
   Данные
  ЦНИИОМТП 
   | 
  
   1 м3 
   | 
  
   13960 
   | 
  
   0,2 
  0,2 
   | 
  
   340,5 
  340,5 
   | 
  
   340,5 
   | 
  
   0-14 
   | 
  
   1954-40 
   | 
  
   1954-40 
   | 
  
 
  | 
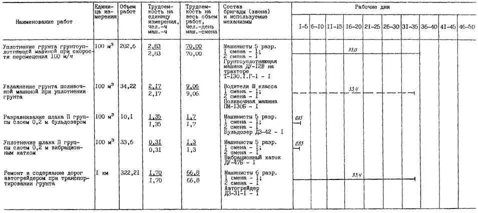
   Уплотнение грунта грунтоуплотняющей
  машиной ДУ-12В при скорости перемещения 100 м/ч 
   | 
  
   ЕНиР §Е2-1-33, п. 1а, К=0,6 
   | 
  
   100 м3 
   | 
  
   202,6 
   | 
  
   2,83 
  2,83 
   | 
  
   70,00 
  70,00 
   | 
  
   70,0 
   | 
  
   2-57,5 
   | 
  
   521-70 
   | 
  
   521-70 
   | 
  
 
  | 
   Увлажнение грунта поливочной машиной
  ПМ-130Б при уплотнении грунта 
   | 
  
   ЕНиР §Е17-2 
   | 
  
   100 м3 
   | 
  
   34,22 
   | 
  
   2,17 
  2,17 
   | 
  
   9,06 
  9,06 
   | 
  
   66,8 
   | 
  
   1-64 
   | 
  
   56-12 
   | 
  
   411-22 
   | 
  
 
  | 
   Разравнивание шлака III группы слоем 0,2 м бульдозером ДЗ-42 
   | 
  
   Данные 
  ЦНИИОМТП 
   | 
  
   100 м3 
   | 
  
   10,1 
   | 
  
   1,35 
  1,35 
   | 
  
   1,7 
  1,7 
   | 
  
   1,7 
   | 
  
   1-22,8 
   | 
  
   12-41 
   | 
  
   12-41 
   | 
  
 
  | 
   Уплотнение шлака слоем 0,2 м
  вибрационным катком ДУ-47Б 
   | 
  
   ЕНиР §Е17-7-27 
   | 
  
   100 м2 
   | 
  
   33,6 
   | 
  
   0,31 
  0,31 
   | 
  
   1,3 
  1,3 
   | 
  
   1,30 
   | 
  
   0-28,2 
   | 
  
   9-48 
   | 
  
   9-48 
   | 
  
 
  | 
   Ремонт и содержание дорог автогрейдером
  ДЗ-31-1 при транспортировании грунта 
   | 
  
     
   | 
  
   1 км 
   | 
  
   322,2 
   | 
  
   1,70 
  1,70 
   | 
  
   66,8 
  66,8 
   | 
  
   66,8 
   | 
  
   1-80 
   | 
  
   579-96 
   | 
  
   579-96 
   | 
  
 
  | 
   ИТОГО: 
   | 
  
     
   | 
  
     
   | 
  
     
   | 
  
     
   | 
  
   1019,56 
  779,06 
   | 
  
   927,6 
   | 
  
     
   | 
  
   6722-78 
   | 
  
   8203-06 
   | 
  
 
 
Примечание. К = 0,6 к норме выработки
грунтоуплотняющей машины ДУ-12В принят в связи со стесненностью работ и
частотой разворотов и
поворотов вокруг существующих фундаментов в котловане. 
  
ГРАФИК ПРОИЗВОДСТВА РАБОТ ВАРИАНТ 3 (продолжение) 
  
 
  
   | 
    Наименование работ 
    | 
   
    Обоснование (ЕНиР и др.) 
    | 
   
    Единица измерения 
    | 
   
    Объем работ 
    | 
   
    Норма времени на единицу измерения, 
   чел.-ч 
   маш.-ч 
    | 
   
    Затраты труда на весь объем работ, 
   чел.-день 
   маш.-смена 
    | 
   
    Время пребывания машины на объекте,
   маш.-смена 
    | 
   
    Расценка на единицу измерения, руб.-коп. 
    | 
   
    Стоимость затрат на весь объем работ,
   руб.-коп. 
    | 
   
    Стоимость затрат с учетом пребывания машины
   на объекте, руб.-коп. 
    | 
   
 
 
  | 
   Разработка в
  карьере грунта III группы
  экскаватором ЭО-5111Е, оборудованным прямой лопатой, с погрузкой на
  автомобили-самосвалы 
   | 
  
   §Е2-1-8, т.
  3, п. 6в 
   | 
  
   100 м3 
   | 
  
   342,2 
   | 
  
   3,2 
  1,6 
   | 
  
   133,6 
  66,8 
   | 
  
   66,8 
   | 
  
   3-15 
   | 
  
   1077-93 
   | 
  
   1077-93 
   | 
  
 
  | 
   Транспортирование
  грунта автомобилями-самосвалами КрАЗ-256Б на расстояние 1 км 
   | 
  
   ЕНВ* 
   | 
  
   100 т 
   | 
  
   667,3 
   | 
  
   1,70 
  1,70 
   | 
  
   138,3 
  138,3 
   | 
  
   138,3 
   | 
  
   1-44 
   | 
  
   960-91 
   | 
  
   960-91 
   | 
  
 
  | 
   Засыпка
  котлована грунтом II группы
  бульдозером с перемещением грунта на расстояние 20 м 
   | 
  
   ЕНиР
  §Е2-1-34, п.
  1б, д 
   | 
  
   100 м3 
   | 
  
   222 
   | 
  
   1,91 
  1,91 
   | 
  
   51,7 
  51,7 
   | 
  
   51,7 
   | 
  
   1-73,9 
   | 
  
   386-06 
   | 
  
   386-06 
   | 
  
 
  | 
   Разработка
  грунта II группы экскаватором ЭО-5111Е,
  оборудованным грейфером, с подачей в котлован 
   | 
  
   ЕНиР
  §Е2-1-15, т. 3, п. 4а 
   | 
  
   100 м3 
   | 
  
   120,2 
   | 
  
   2,8 
  1,4 
   | 
  
   41,0 
  20,5 
   | 
  
   72,0 
   | 
  
   2-76 
   | 
  
   331-75 
   | 
  
   1163-68 
   | 
  
 
  | 
   Разравнивание
  грунта II группы вручную 
   | 
  
   ЕНиР §Е2-1-57 
   | 
  
   1 м3 
   | 
  
   13960 
   | 
  
   0,09 
   | 
  
   153,2 
   | 
  
   - 
   | 
  
   0-05,3 
   | 
  
   739-88 
   | 
  
   739-88 
   | 
  
 
  | 
   Разравнивание
  грунта II группы бульдозером 
   | 
  
   ЕНиР
  §Е2-1-28, п. 1д 
   | 
  
   100 м3 
   | 
  
   202,6 
   | 
  
   0,50 
  0,50 
   | 
  
   12,4 
  12,4 
   | 
  
   51,7 
   | 
  
   0-45,5 
   | 
  
   92-18 
   | 
  
   385-43 
   | 
  
 
  | 
   Уплотнение
  грунта II группы вручную с применением
  электротрамбовок ИЭ-4504 
   | 
  
     
   | 
  
   1 м3 
   | 
  
   13960 
   | 
  
   0,2 
  0,2 
   | 
  
   340,5 
  340,5 
   | 
  
   340,5 
   | 
  
   0-14 
   | 
  
   1954-40 
   | 
  
   1954-40 
   | 
  
 
  | 
   Уплотнение
  грунта II группы трамбовочной плитой массой 3,5
  т, подвешенной к стреле экскаватора ЭО-5111Е, оборудованного драглайном, при
  8-и ударах по одному следу 
   | 
  
   Данные
  ЦНИИОМТП 
   | 
  
   100 м3 
   | 
  
   202,6 
   | 
  
   5,4 
  2,7 
   | 
  
   133,40 
  66,70 
   | 
  
   66,70 
   | 
  
   5-31,9 
   | 
  
   1077-63 
   | 
  
   1077-63 
   | 
  
 
  | 
   Увлажнение
  грунта поливочной машиной ПМ-130Б при уплотнении грунта 
   | 
  
   ЕНиР §Е17-2 
   | 
  
   100 м3 
   | 
  
   34,22 
   | 
  
   2,17 
  2,17 
   | 
  
   9,06 
  9,06 
   | 
  
   66,8 
   | 
  
   1-64 
   | 
  
   56-12 
   | 
  
   411-22 
   | 
  
 
  | 
   Разравнивание
  шлака III группы слоем 0,2 м бульдозером ДЗ-42 
   | 
  
   Данные
  ЦНИИОМТП 
   | 
  
   100 м3 
   | 
  
   10,1 
   | 
  
   1,35 
  1,35 
   | 
  
   1,7 
  1,7 
   | 
  
   1,7 
   | 
  
   1-22,9 
   | 
  
   12-41 
   | 
  
   12-41 
   | 
  
 
  | 
   Уплотнение
  шлака слоем 0,2 м вибрационным катком ДУ-47Б 
   | 
  
   ЕНиР
  §Е17-7-27 
   | 
  
   100 м2 
   | 
  
   33,6 
   | 
  
   0,31 
  0,31 
   | 
  
   1,3 
  1,3 
   | 
  
   1,3 
   | 
  
   0-28,2 
   | 
  
   9-48 
   | 
  
   9-48 
   | 
  
 
  | 
   Ремонт и
  содержание дорог автогрейдером ДЗ-31-1 при транспортировании грунта 
   | 
  
   ЕНиР
  §Е17-20-15 
   | 
  
   1 км 
   | 
  
   322,2 
   | 
  
   1,70 
  1,70 
   | 
  
   66,8 
  66,8 
   | 
  
   66,8 
   | 
  
   1-80 
   | 
  
   579-96 
   | 
  
   579-96 
   | 
  
 
  | 
   ИТОГО: 
   | 
  
     
   | 
  
     
   | 
  
     
   | 
  
     
   | 
  
   1082,96 
  775,76 
   | 
  
   924,3 
   | 
  
     
   | 
  
   7278,71 
   | 
  
   8758-38 
   | 
  
 
 
 
 
		
		
	 | 
	
		
		
		
	 |