|
||||||||||||||||||||||||||||||||||
| Обозначение: | ![]() ГОСТ Р 18.3.01-2023 |
| Статус: | действует |
| Название рус.: | Технологии авиатопливообеспечения. Типовые схемы |
| Название англ.: | Technology of the aviation fueling. Typical schemes |
| Дата актуализации текста: | 01.01.2026 |
| Дата актуализации описания: | 01.01.2026 |
| Дата издания: | 21.11.2025 |
| Дата введения: | 01.09.2023 |
| Взамен: | ГОСТ Р 18.3.01-2016 |
| Нормативные ссылки: | ГОСТ 2.704; ГОСТ 2.781; ГОСТ 2.782; ГОСТ 2.784; ГОСТ 2.785; ГОСТ 12.4.026; ГОСТ 1510; ГОСТ 2517; ГОСТ 10227; ГОСТ 15150; ГОСТ 18194; ГОСТ 19433; ГОСТ 20772; ГОСТ 22639; ГОСТ 25136; ГОСТ 28822; ГОСТ 31812; ГОСТ 31873; ГОСТ Р 18.0.01; ГОСТ Р 18.12.01; ГОСТ Р 18.12.02; ГОСТ 31610.0 |
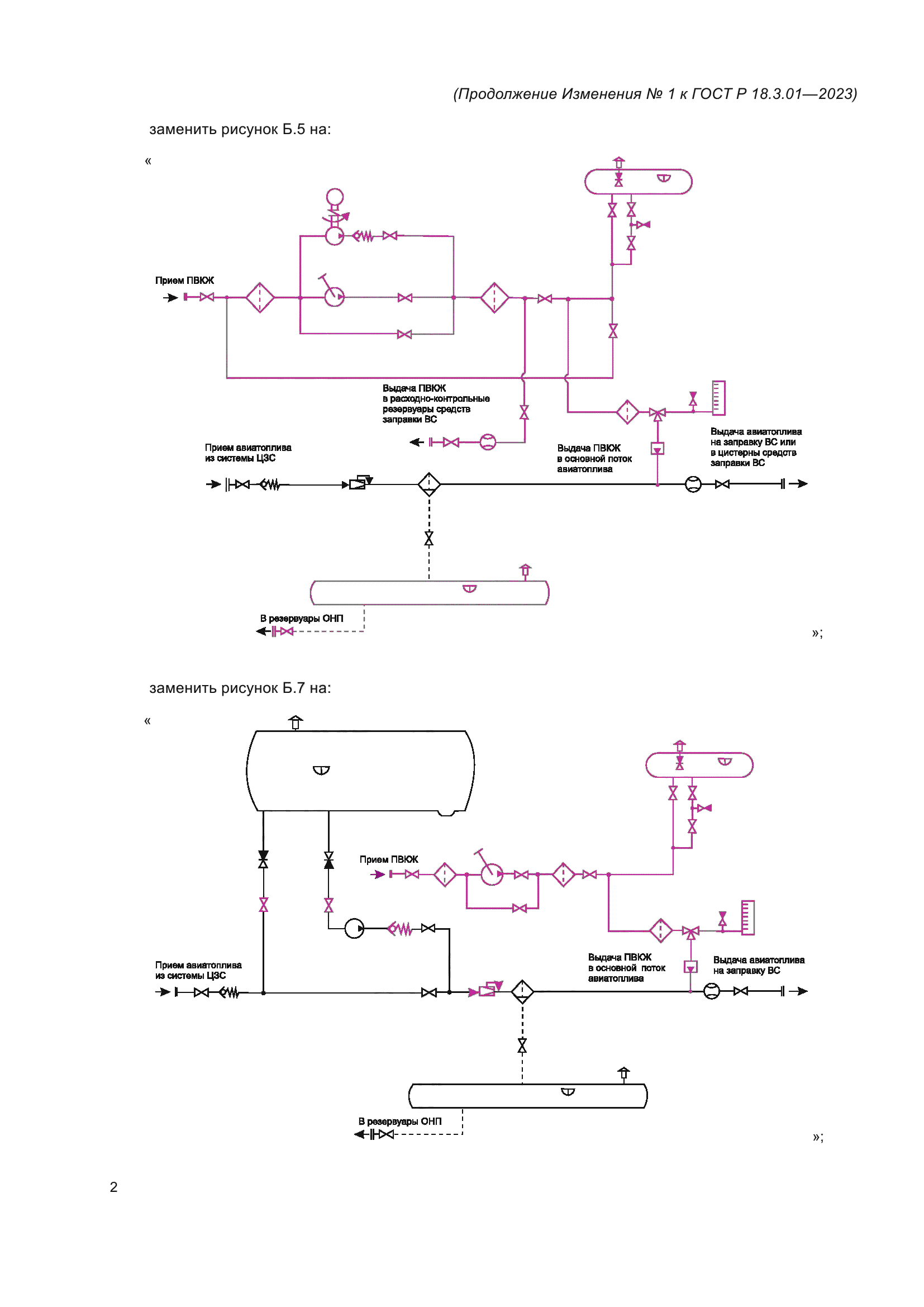
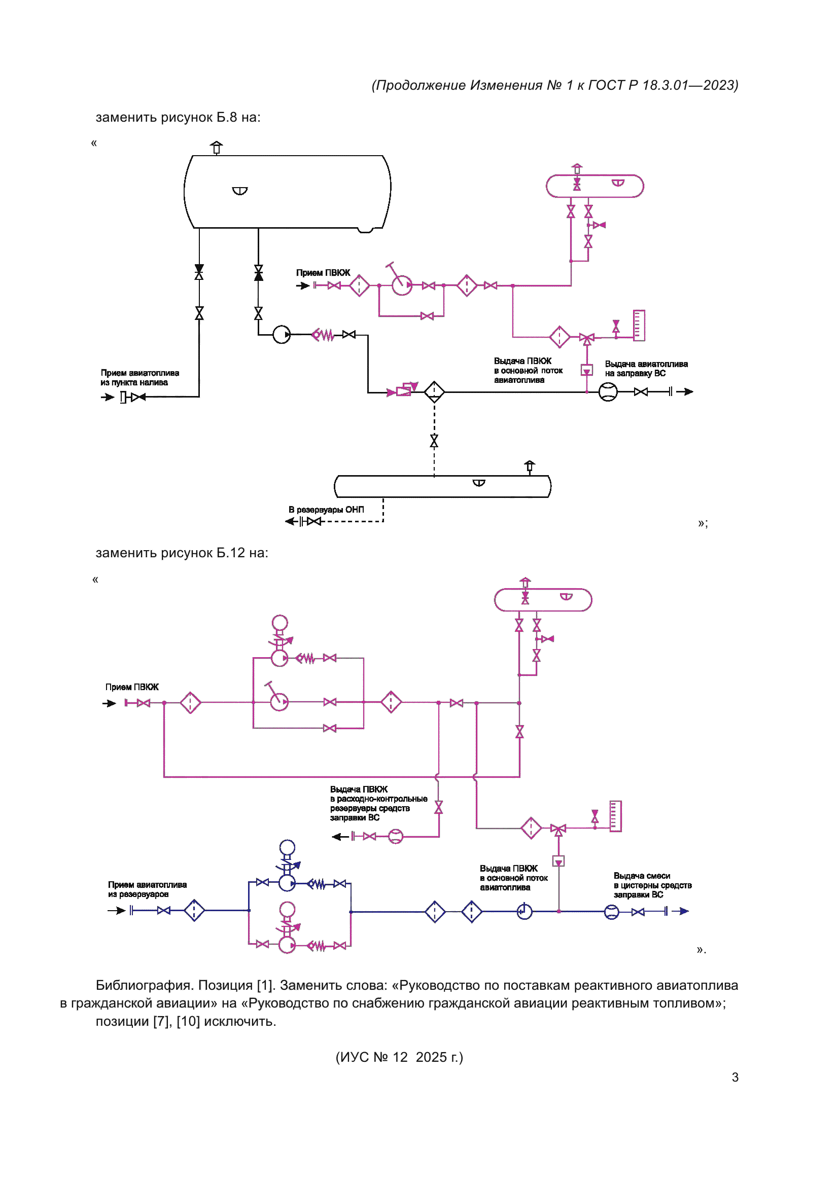
| Область применения: | Настоящий стандарт устанавливает требования к типовой схеме авиатопливообеспечения и типовым схемам технологических модулей авиатопливообеспечения. Настоящий стандарт предназначен для использования при проектировании, реконструкции, модернизации и эксплуатации производственных объектов, инфраструктуры и технологического оборудования организаций авиатопливообеспечения на аэродромах и вертодромах государственной, гражданской и экспериментальной авиации, посадочных площадках с соблюдением требований действующих норм охраны труда, правил промышленной, пожарной и экологической безопасности и охраны окружающей среды |
| Приложение №1: | Изменение №1 к ГОСТ Р 18.3.01-2023 |
| Расположен в: | |
































| Обозначение: | Изменение №1 к ГОСТ Р 18.3.01-2023 |
| Дата введения: | 01.10.2025 |


