| Обозначение: |  ГОСТ 18591-2025 |
| Статус: | действует |
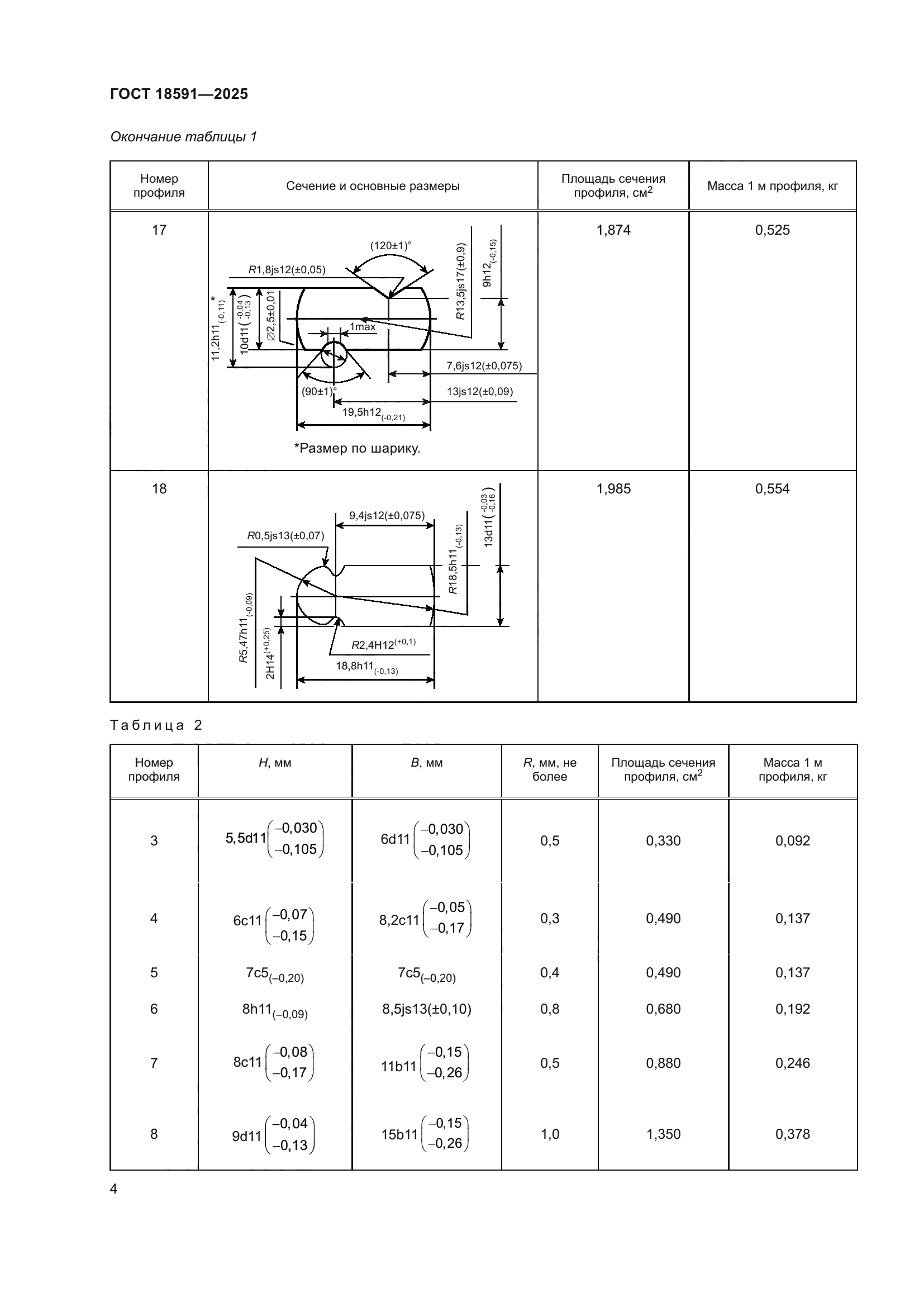
| Название рус.: | Профили алюминиевые специальные. Общие технические условия |
| Название англ.: | Special aluminium profiles. General specifications |
| Дата актуализации текста: | 01.01.2026 |
| Дата актуализации описания: | 01.01.2026 |
| Дата регистрации: | 31.03.2025 |
| Дата издания: | 27.05.2025 |
| Дата введения: | 01.10.2025 |
| Взамен: | ГОСТ 18591-91 |
| Нормативные ссылки: | ГОСТ 2789; ГОСТ Р 71448-2024; ГОСТ 4784 |
| Область применения: | Настоящий стандарт распространяется на профили из алюминия и алюминиевых сплавав марок АД1, Д1, АМ4, изготовляемые прессованием с последующим волочением или холодным выдавливанием |
|
| Расположен в: |
|