| Обозначение: |  ГОСТ Р 72197-2025 |
| Статус: | действует |
| Название рус.: | Единая энергетическая система и изолированно работающие энергосистемы. Релейная защита и автоматика автотрансформаторов (трансформаторов) классом напряжения 330 кВ и выше. Испытания |
| Название англ.: | United power system and isolated power systems. Relay protection and automation of autotransformers (transformers) voltage class 330 kV and above. Testing |
| Дата актуализации текста: | 01.01.2026 |
| Дата актуализации описания: | 01.01.2026 |
| Дата издания: | 30.07.2025 |
| Дата введения: | 01.09.2025 |
| Нормативные ссылки: | ГОСТ Р 52735; ГОСТ Р 58601; ГОСТ Р 58886; ГОСТ Р 58983-2020; ГОСТ Р 71489 |
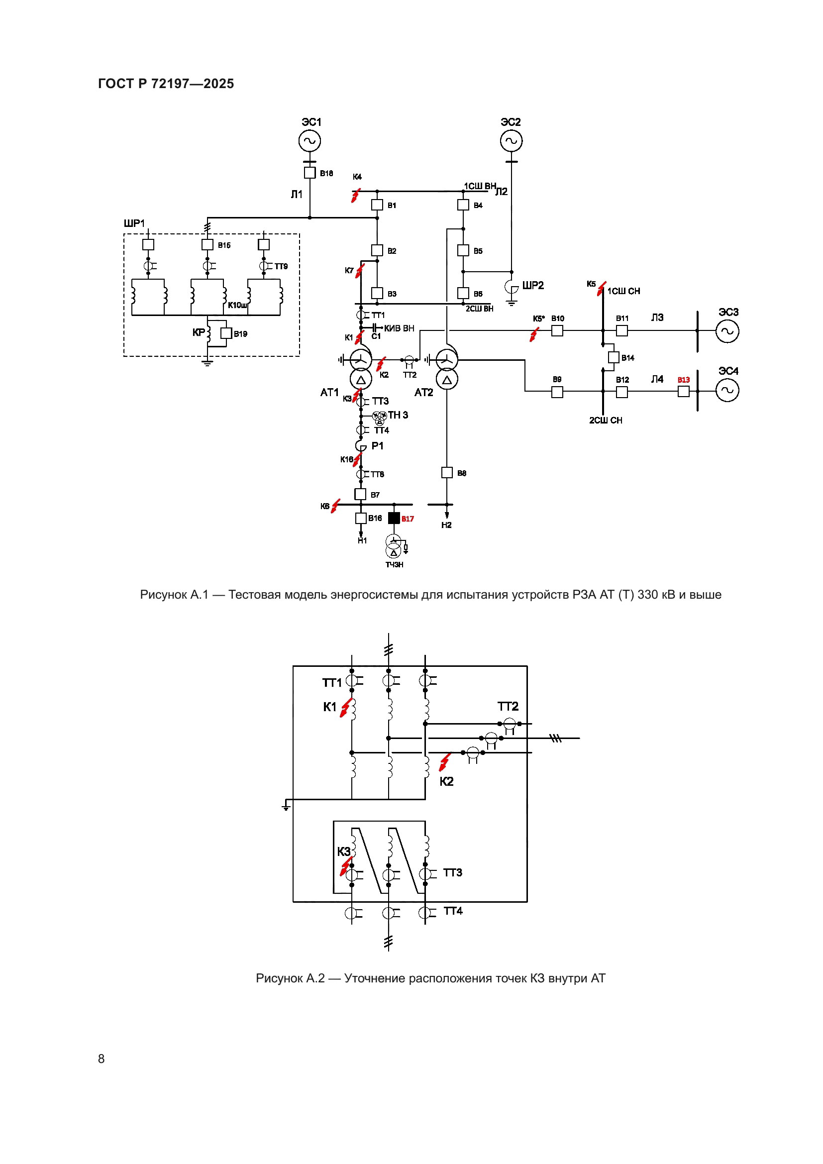
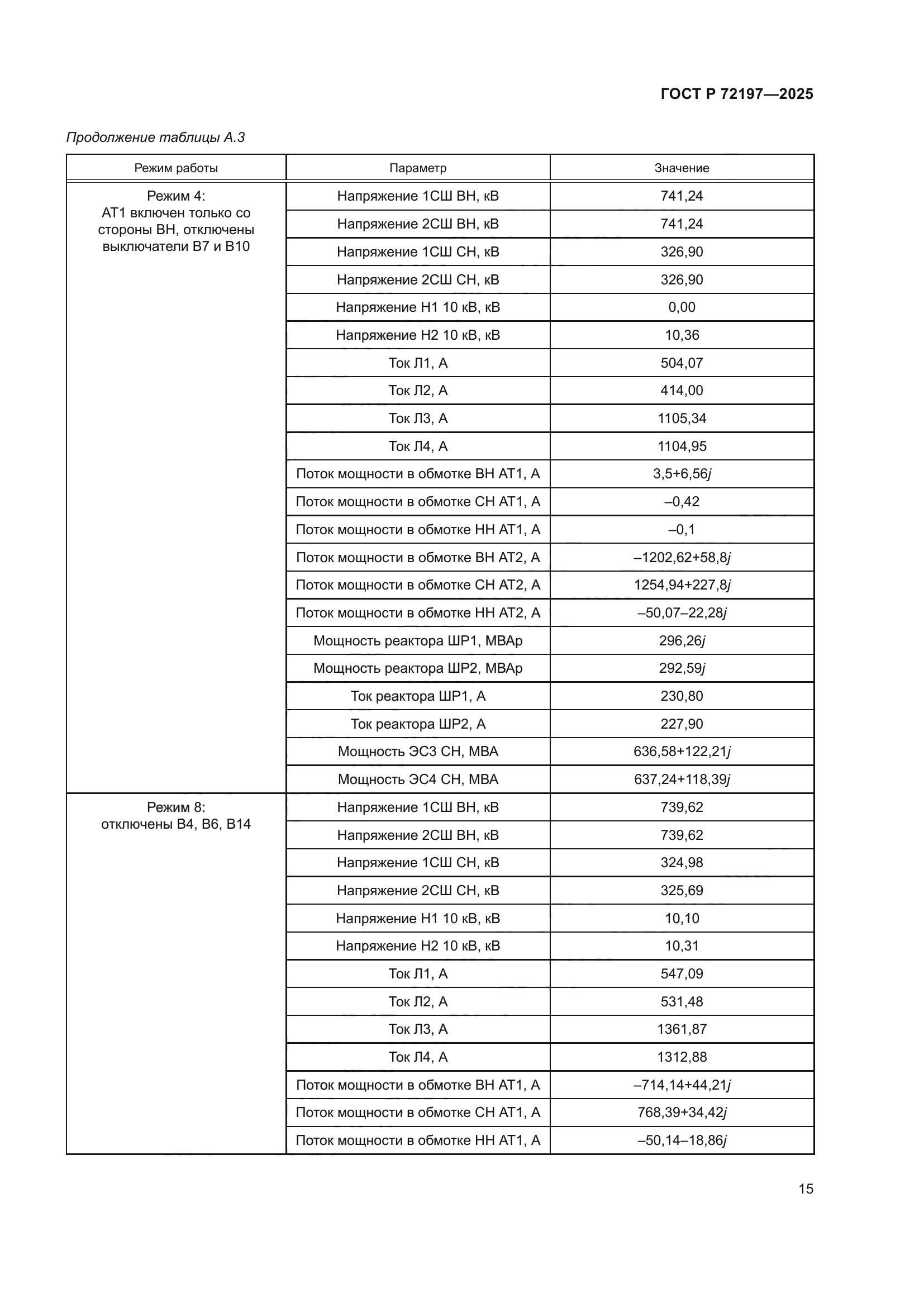
| Область применения: | Настоящий стандарт устанавливает порядок и методику проведения испытаний микропроцессорных устройств, реализующих функции релейной защиты и автоматики автотрансформаторов (трансформаторов) классом напряжения 330 кВ и выше [далее – устройства РЗА АТ (Т) 330 кВ и выше] для подтверждения их соответствия функциональным требованиям, предъявляемым ГОСТ Р 58983 за исключением требований к ступенчатым защитам. Испытания ступенчатых защит АТ (Т) 330 кВ и выше на соответствие требованиям ГОСТ Р 58886 выполняются в соответствии с ГОСТ Р 71489 |
|
| Расположен в: |
|