|
||||||||||||||||||||||||||||||
| Обозначение: | ![]() ГОСТ 23899-2025 |
| Статус: | действует |
| Название рус.: | Колонны железобетонные под параболические лотки. Технические условия |
| Название англ.: | Column reinforced concrete for parabolic shoots. Specifications |
| Дата актуализации текста: | 01.01.2026 |
| Дата актуализации описания: | 01.01.2026 |
| Дата регистрации: | 31.07.2025 |
| Дата издания: | 07.10.2025 |
| Дата введения: | 01.01.2026 |
| Взамен: | ГОСТ 23899-79 |
| Нормативные ссылки: | ГОСТ 6727; ГОСТ 7473; ГОСТ 8267; ГОСТ 8736; ГОСТ 8829; ГОСТ 10060; ГОСТ 10180; ГОСТ 10181; ГОСТ 10922; ГОСТ 12730.0; ГОСТ 12730.3; ГОСТ 12730.5; ГОСТ 13015; ГОСТ 17624; ГОСТ 17625; ГОСТ 18105; ГОСТ 22690; ГОСТ 22904; ГОСТ 23009; ГОСТ 23732; ГОСТ 23858; ГОСТ 24211; ГОСТ 26134; ГОСТ 26433.0; ГОСТ 26433.1; ГОСТ 26633; ГОСТ 30108; ГОСТ 31108; ГОСТ 31384; ГОСТ 31424; ГОСТ 32960; ГОСТ 34028; ГОСТ Р 57997-2017 |
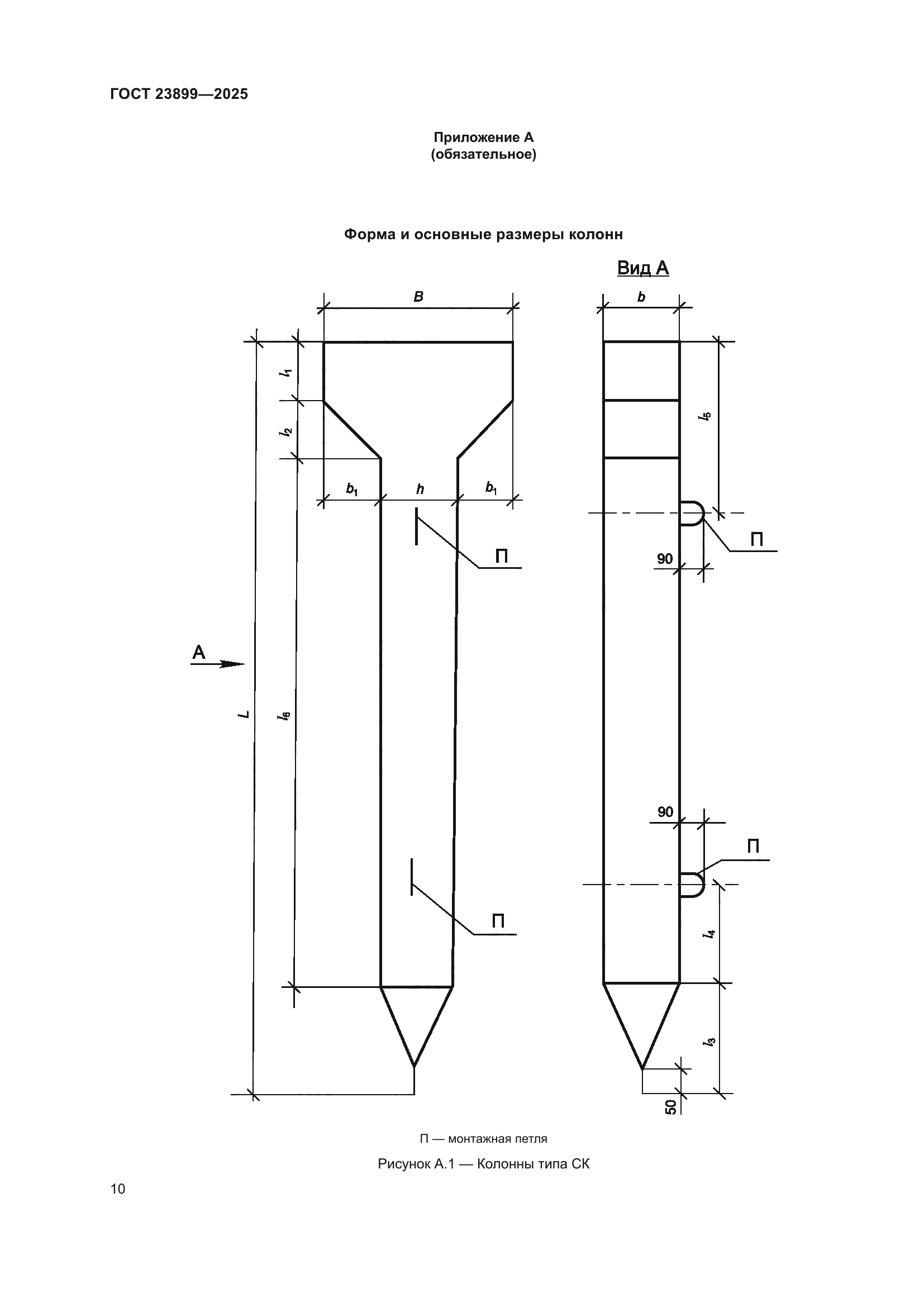
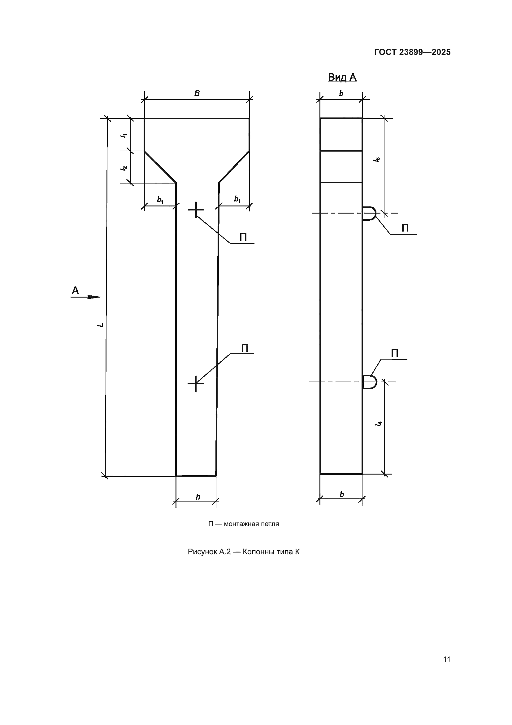
| Область применения: | Настоящий стандарт распространяется на железобетонные колонны, изготовляемые из тяжелого бетона и предназначенные для опирания параболических лотков оросительных систем с расходом воды до 5 м3/с, сооружаемых во всех климатических районах строительства с сейсмичностью до 8 баллов включительно. Колонны применяют в районах с расчетной температурой наружного воздуха (средней наиболее холодной пятидневки района строительства) до минус 40 °С включительно |
| Расположен в: | |



















