|
|
 ГОСТ ISO 20848-3-2022
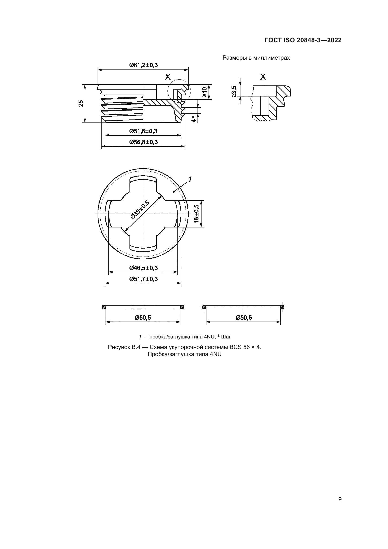
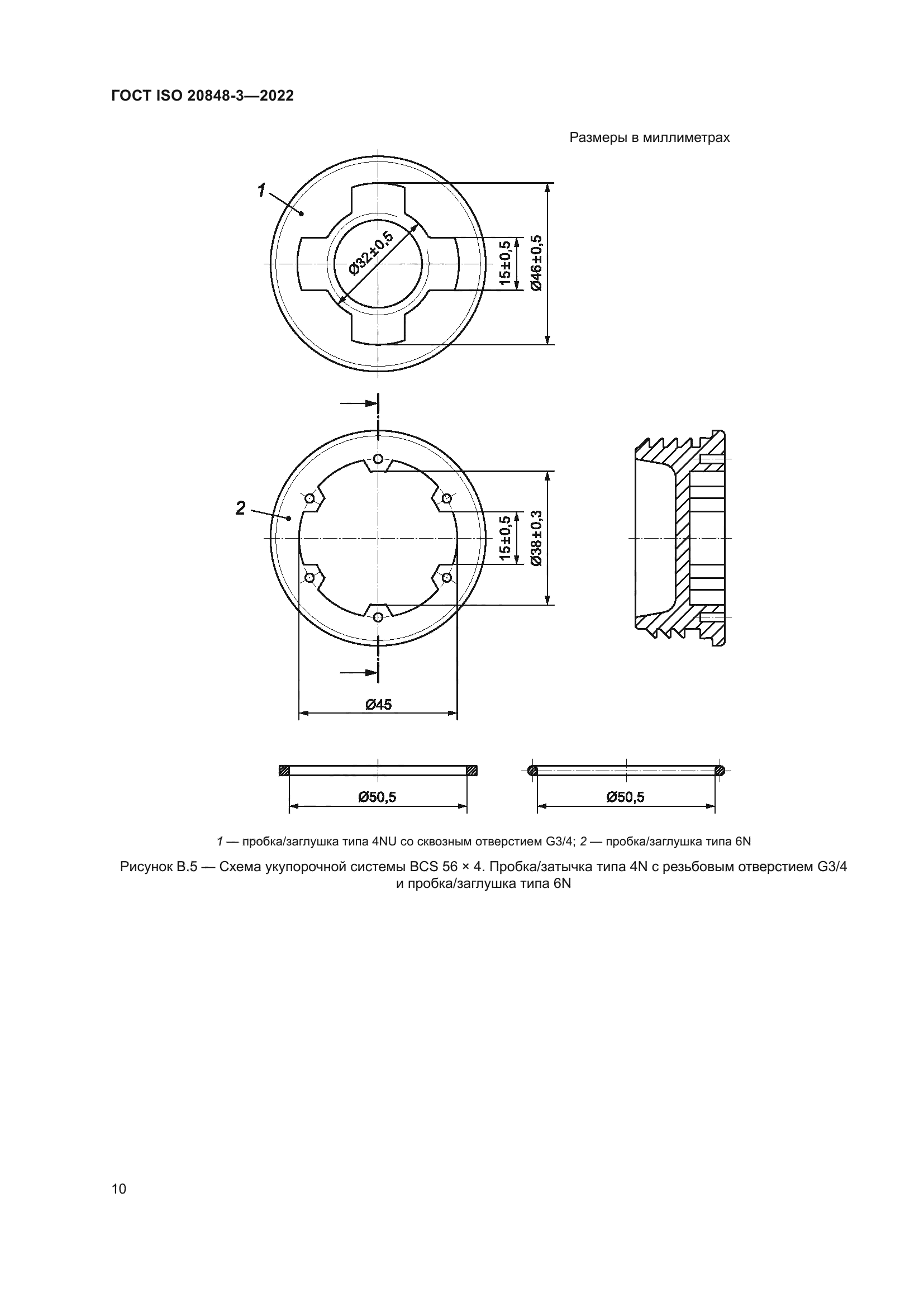
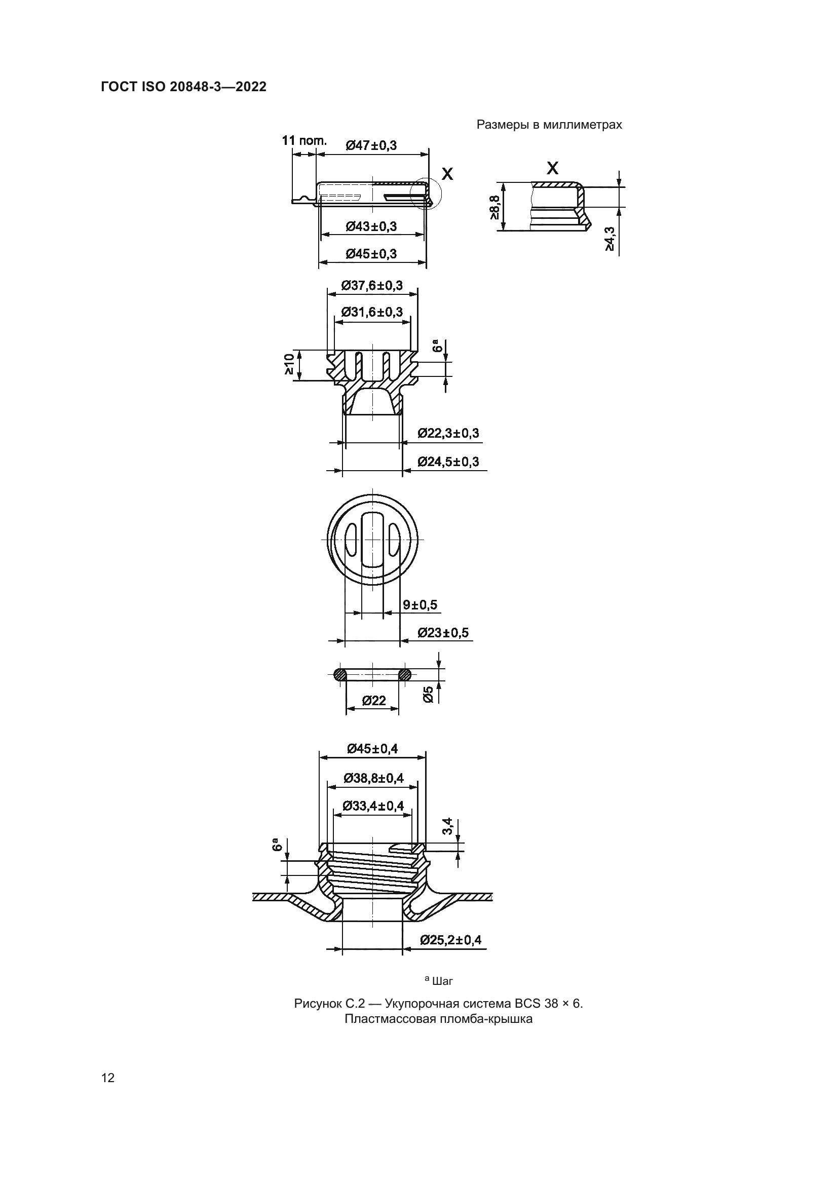
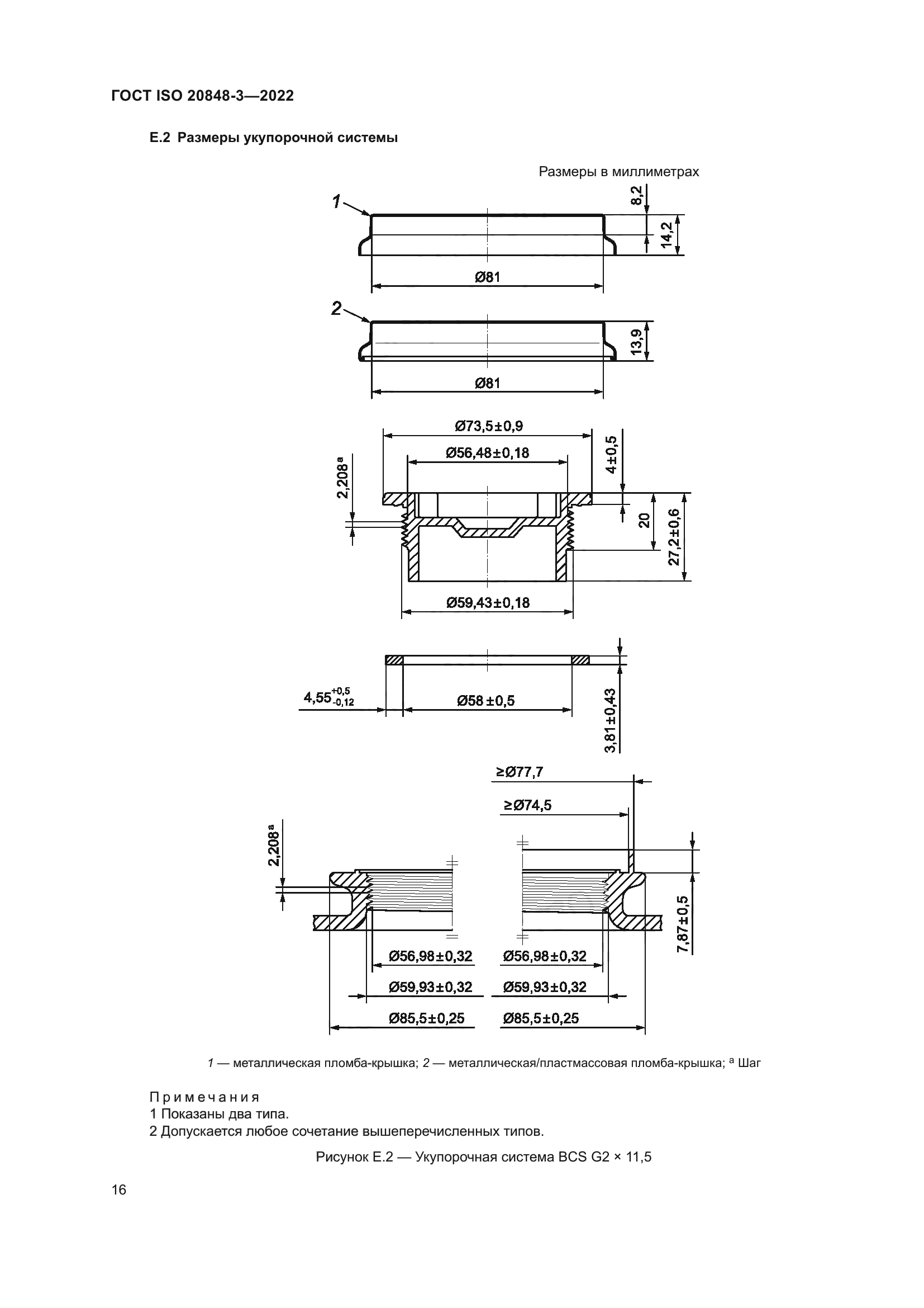
Упаковка. Полимерные бочки. Часть 3. Укупорочные системы для полимерных бочек номинальной вместимостью от 113,6 л до 220 л
| Обозначение: |  ГОСТ ISO 20848-3-2022 |
| Статус: | принят |
| Название рус.: | Упаковка. Полимерные бочки. Часть 3. Укупорочные системы для полимерных бочек номинальной вместимостью от 113,6 л до 220 л | | Название англ.: | Packaging. Plastics drums. Part 3. Plug bung closure systems for plastics drums with a nominal capacity of 113,6 l to 220 l | | Дата актуализации текста: | 01.01.2026 | | Дата актуализации описания: | 01.01.2026 | | Дата регистрации: | 14.07.2022 | | Дата издания: | 15.10.2025 | | Дата введения: | 01.05.2026 | | Аутентичен стандартам: | ISO 20848-3:2018 | | Область применения: | Настоящий стандарт устанавливает характеристики и размеры укупорочных средств, входящих в укупорочную систему, для отверстий с горловиной, имеющей внутреннюю резьбу, в полимерных бочках номинальной вместимостью от 113,6 до 220 л | |
| Расположен в: |
|
                      
|
|