| Обозначение: |  ГОСТ ISO 13849-2-2023 |
| Статус: | принят |
| Название рус.: | Безопасность оборудования. Элементы систем управления, связанные с безопасностью. Часть 2. Валидация |
| Название англ.: | Safety of machinery. Safety-related parts of control systems. Part 2. Validation |
| Дата актуализации текста: | 01.01.2026 |
| Дата актуализации описания: | 01.01.2026 |
| Дата регистрации: | 25.09.2023 |
| Дата издания: | 23.12.2025 |
| Дата введения: | 01.12.2026 |
| Аутентичен стандартам: | ISO 13849-2:2012 |
| Нормативные ссылки: | ISO 12100:2010;ISO 13849-1:2006 |
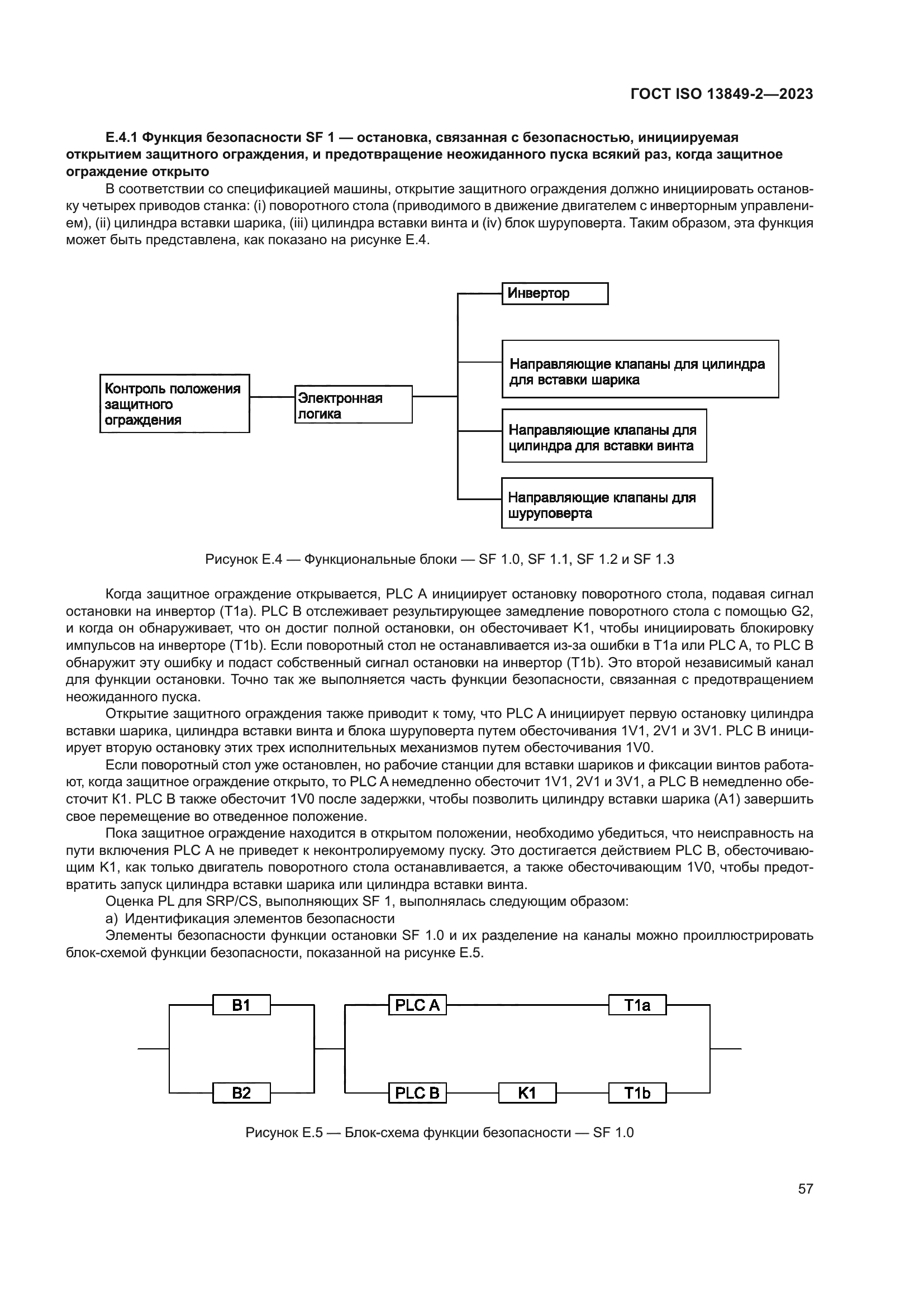
| Область применения: | Настоящий стандарт устанавливает процедуры и условия процесса валидации, которая проводится путем анализа и испытаний: - заданных функций безопасности; - достигнутой категории; - достигнутого уровня эффективности защиты связанными с безопасностью элементами систем управления (SRP/CS), сконструированными в соответствии с ISO 13849-1 |
|
| Расположен в: |
|