| Обозначение: |  ГОСТ EN 116-2017 |
| Статус: | действует |
| Название рус.: | Топливо дизельное и печное бытовое. Определение предельной температуры фильтруемости. Метод поэтапного охлаждения в бане |
| Название англ.: | Diesel and domestic heating fuels. Determination of cold filter plugging point. Stepwise cooling bath method |
| Дата актуализации текста: | 01.01.2026 |
| Дата актуализации описания: | 01.01.2026 |
| Дата регистрации: | 30.03.2017 |
| Дата издания: | 02.12.2020 |
| Дата введения: | 01.01.2021 |
| Взамен: | ГОСТ EN 116-2013 |
| Аутентичен стандартам: | EN 116:2015 |
| Нормативные ссылки: | ISO 261:1998;EN ISO 3170:2004;EN ISO 3171:1999 |
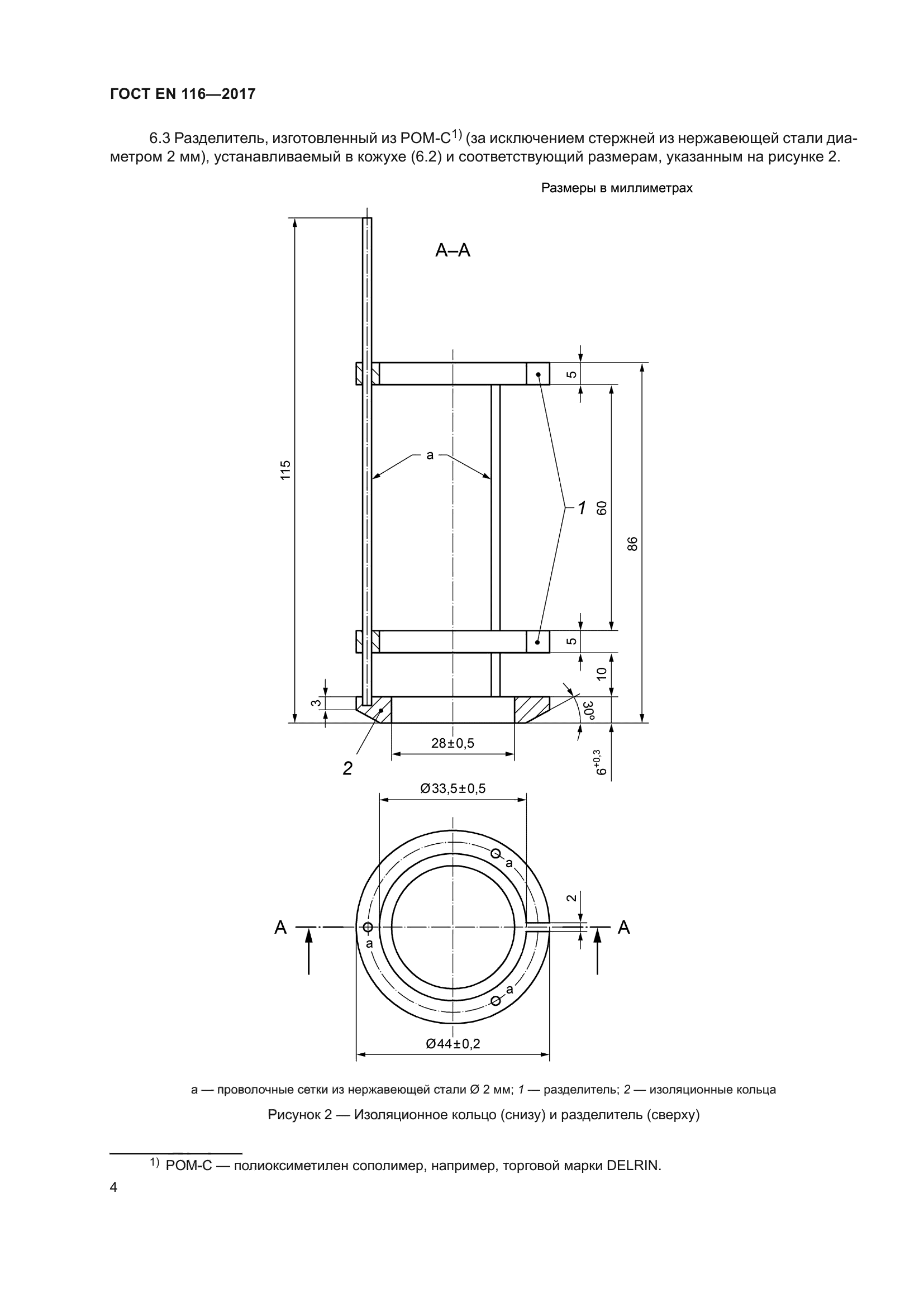
| Область применения: | Настоящий стандарт устанавливает метод определения предельной температуры фильтруемости на холодном фильтре (CFPP) дизельного и печного бытового топлива (3.1) с использованием авто- матического испытательного оборудования. Ручное испытательное оборудование также может приме- няться, однако при проведении арбитражных испытаний допустимым является только автоматическое оборудование.Метод настоящего стандарта распространяется на метиловые эфиры жирных кислот (FAME) и дистиллятное топливо, а также парафиновое дизельное топливо (в том числе содержащее метиловые эфиры жирных кислот, антифрикционные и другие присадки), предназначенные для использования в дизельных двигателях и бытовых отопительных установках.Результаты, полученные при проведении испытания по методу настоящего стандарта, могут ис- пользоваться для оценки самой низкой температуры, при которой обеспечивается беспрепятственная подача топлива в топливную систему |
| Приложение №1: | Поправка к ГОСТ EN 116-2017 |
| Приложение №2: | Поправка к ГОСТ EN 116-2017 |
|
| Расположен в: |
|