| Обозначение: |  ГОСТ Р 72152-2025 |
| Статус: | принят |
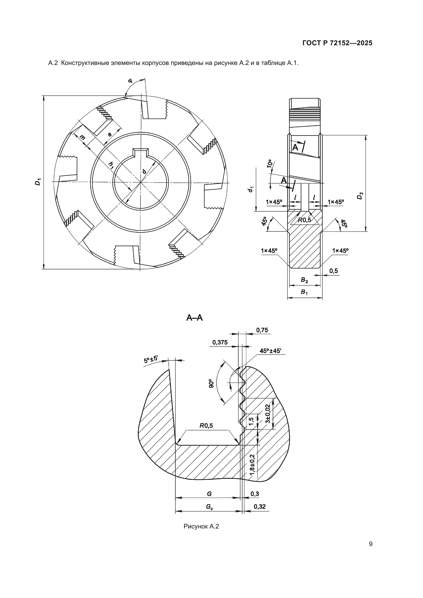
| Название рус.: | Фрезы дисковые трехсторонние со вставными ножами, оснащенными твердым сплавом. Основные размеры |
| Название англ.: | Side-and-face cutters with inserted carbide blades. Basic dimensions |
| Дата актуализации текста: | 01.01.2026 |
| Дата актуализации описания: | 01.01.2026 |
| Дата издания: | 15.12.2025 |
| Дата введения: | 01.07.2026 |
| Нормативные ссылки: | ГОСТ 2568; ГОСТ 9472; ГОСТ Р 72153; ГОСТ Р 72154; ГОСТ Р 72155 |
| Область применения: | Настоящий стандарт распространяется на дисковые трехсторонние фрезы со вставными ножами, оснащенными твердым сплавом (далее – фрезы), предназначенные для обработки пазов и уступов в изделиях из конструкционной стали и чугуна |
|
| Расположен в: |
|