| Обозначение: |  ГОСТ Р ИСО 12164-4-2025 |
| Статус: | принят |
| Название рус.: | Крепления инструментов типов Т и U для полых конических хвостовиков (HSK) типов Т, TA и U. Присоединительные размеры |
| Название англ.: | Receivers of types T and U for hollow taper shanks of types T, TA and U. Connection dimensions |
| Дата актуализации текста: | 01.01.2026 |
| Дата актуализации описания: | 01.01.2026 |
| Дата издания: | 19.12.2025 |
| Дата введения: | 01.07.2026 |
| Взамен: | ГОСТ Р ИСО 12164-4-2011 |
| Аутентичен стандартам: | ISO 12164-4:2023 |
| Нормативные ссылки: | ISO 2768-1 |
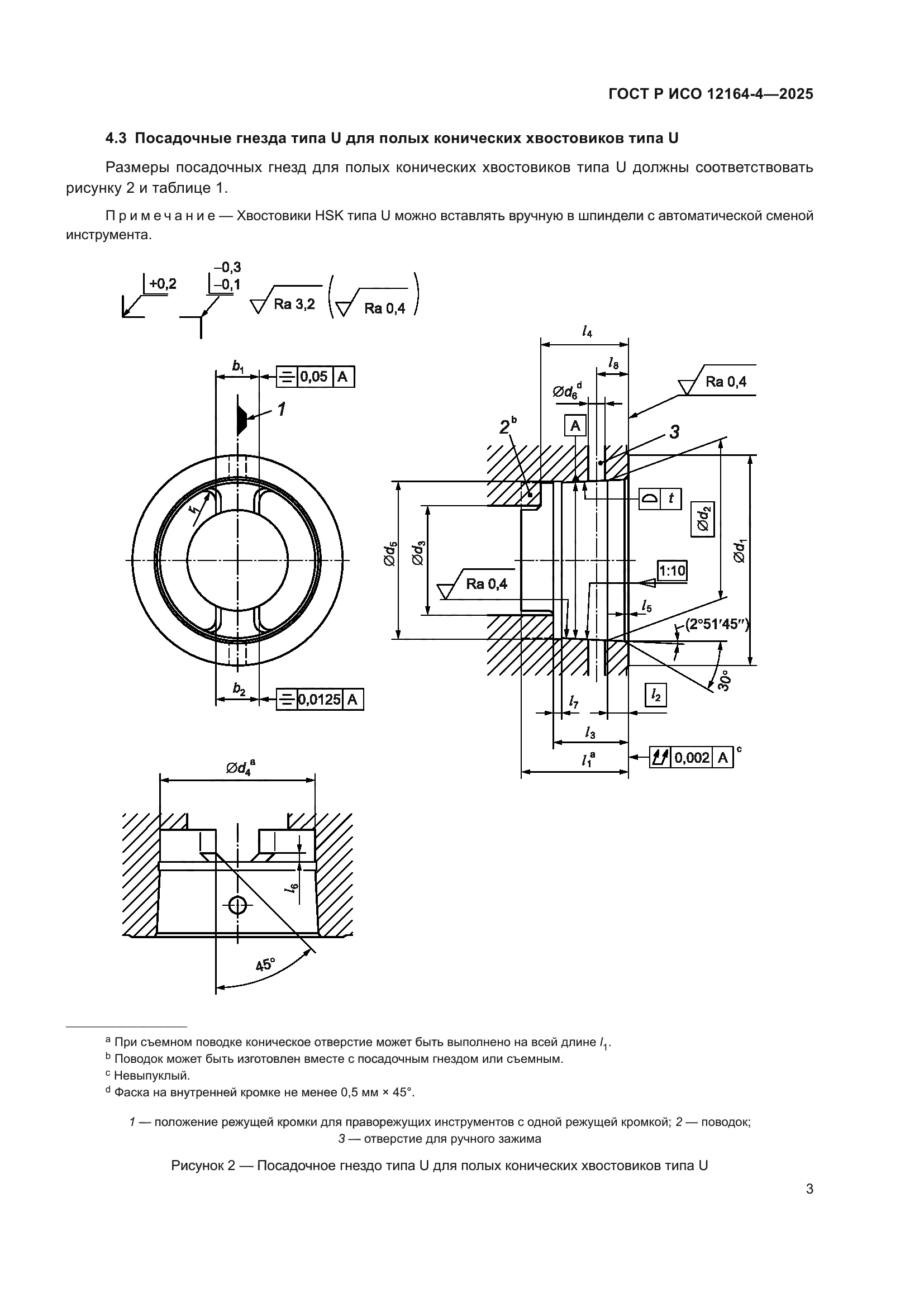
| Область применения: | В настоящем стандарте приведены размеры посадочных гнезд для полых конических хвостовиков (HSK) по ИСО 12164-3 с коническими и фланцевыми контактными поверхностями для применения на станках (токарных и комбинированных токарно-фрезерных). Настоящий стандарт рассматривает два типа посадочных гнезд: - тип T – для автоматической смены инструмента; - тип U – только для ручной смены инструмента с помощью радиальных отверстий как в посадочном гнезде, так и в хвостовике инструмента |
|
| Расположен в: |
|